Distributed Energy,2016, 1(1): 33-39
doi: 101427TK-2016-1-006
模块化多电平变换器预充电控制策略
Pre-Charging Control Strategy for Modular Multilevel Converter
姚骏1,谭义1,赵磊2
1. 输配电装备及系统安全与新技术国家重点实验室(重庆大学),重庆 沙坪坝 400044
2. 国网四川省电力公司绵阳供电公司,四川 绵阳 621000
 
【摘要】  模块化多电平变换器(modular multilevel converter,MMC)的预充电过程可分为不可控预充电和可控预充电两个阶段。为分析不可控阶段子模块电容电压的抬升过程,将MMC的不可控预充电过程和三相全桥不可控整流过程进行了类比分析。进一步针对可控预充电阶段提出了一种简单有效的解锁控制策略,该策略能够充分利用限流电阻的限流能力,将子模块电容电压快速提升至变换器稳态运行需要的电容电压,所提控制策略无需设计专门的预充电控制器,且能够有效降低变换器由预充电过程转为正常运行过程时子模块电容电压的波动,减小对电容器的冲击,延长电容器的使用寿命。最后,在PSCAD/EMTDC软件仿真平台上搭建了双端MMC详细仿真模型,仿真结果验证了所提控制策略的有效性。
【关键词】  模块化多电平变换器(MMC) ; 预充电 ; 解锁控制 ; 电容电压波动

【Abstract】  The pre-charging process of modular multilevel converter (MMC) could be divided into uncontrolled pre-charging process and controlled pre-charging process. By comparing the uncontrolled pre-charging process with the uncontrolled rectifying process of 3-phase full bridge, the increase process of sub-module capacitor voltage was fully analyzed. Furthermore, a simple and effective unlock control strategy was proposed for the controlled charging process. The proposed strategy could quickly charge all the sub-module capacitors to the voltage required for the steady state operation of MMC. With the proposed unlock strategy, no indicated pre-charging controller was required, and the voltage fluctuation of sub-module capacitor could be significantly reduced when the converter switching to the normal operation after pre-charging. The decrease of the voltage fluctuation could effectively reduce the voltage impact of the capacitors and thus extend the lifespan of the sub-module capacitors. Finally, a detailed simulation model of a double terminal MMC was built on PSCAD/EMTDC to verify the effectiveness of the developed control strategy.
【Key words】  modular multilevel converter(MMC) ; pre-charging ; unlock control ; capacitor voltage fluctuation
 
0 引言

由于控制灵活、子模块结构易于拓展,为高电压大容量的交直流电能转换提供了理想的解决方案,方便应用于新一代柔性直流输电[1]、新能源发电并网[2]以及交流电网异步互联[3]等领域,模块化多电平变换器(modular multilevel converter, MMC)自其诞生以来就受到了国内外研究人员的广泛关注,目前已有大量文献针对MMC诸如子模块电容均压[4,5]、内部环流抑制[6,7]等系统运行控制与保护的关键问题进行了大量深入的研究。

目前,对MMC的研究重点主要集中在系统层级的控制器与控制方法设计方面[4,5,6,7,8,9],在研究系统的稳态运行时通常认为系统已经具备一定的初始电压[10],对MMC的预充电启动过程的研究则相对较少[10,11,12,13,14]。与传统两电平变换器不同,MMC包含大量悬浮的子模块电容,初始时刻,所有子模块电容均无初始电压;在进入稳定运行工作状态以前,需要采取相应的控制策略先对子模块电容进行充电,将子模块电容充电至稳态运行电压。MMC的预充电启动过程是系统稳态运行的基础,研究该过程具有十分重要的意义。

根据所利用的充电电源不同,MMC的预充电方式可以分为他励方式和自励方式两大类[15]。他励方式是指利用额外的辅助充电电源对变换器子模块电容进行充电。自励方式是指利用与变换器交流电网对子模块电容进行充电,以完成变换器的启动过程。他励预充电方式控制方法简单,但是由于在实际工程应用中子模块的额定电压可能会高达数千伏以上,要实现如此高电压的直流电源并为变换器数十上百个子模块电容完成充电,经济成本较高。因此更加经济可行的方案是利用系统固有网络,再辅以专门的预充电控制策略,即通过自励方式启动。

本文将MMC变换器的预充电启动过程分为不可控预充电启动过程和可控预充电过程进行详细研究。在不可控预充电阶段,所有子模块IGBT均处于封锁状态,此过程中,子模块的工作状态不受系统控制器控制,变换器的电压电流响应由电路本身的拓扑结构唯一决定。因此,对MMC预充电过程的控制主要是针对启动过程的第二阶段,也就是可控预充电过程而言的。文献[10,11]将斜率控制引入到MMC的可控预充电控制中,文献[12]则重点分析了变换器不同接地方式对启动过程的影响。上述文献对可控预充电过程的控制均是在旁路充电限流电阻的前提下进行的,限流电阻作为限制MMC启动充电电流的关键部件,是MMC启动过程中必不可少的,在可控预充电阶段旁路限流电阻则限制了其限流能力。为此,本文提出了一种简单有效的可控解锁控制策略,该策略在可控预充电阶段保持限流电阻投入到系统充电回路中,充分利用了限流电阻对充电电流的限制能力,将子模块电容电压快速提升至稳态运行值,并且能够有效降低变换器从预充电过程转为正常运行时的电容电压波动。所设计的解锁方案无需设计专门的预充电控制器,实现方法简单,易于扩展以适应不同电平数的变换器。

1 MMC拓扑结构与基本运行特性

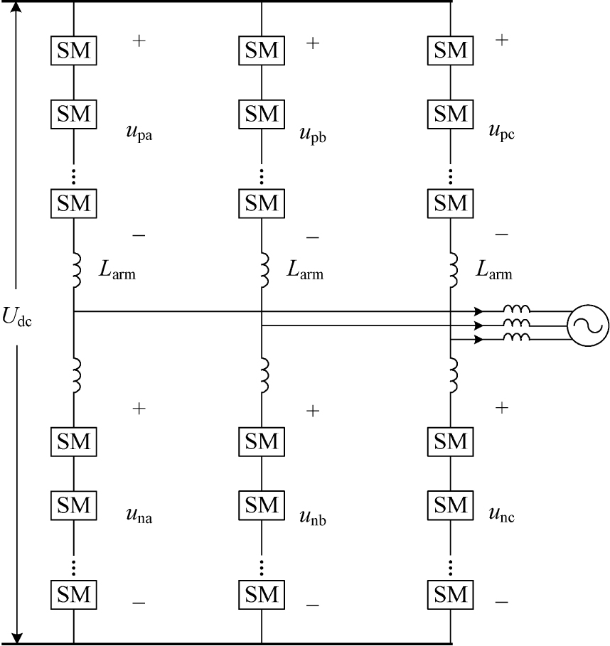
图1所示为三相MMC拓扑图,变换器的每个桥臂由若干个相同结构的子模块和一个桥臂电感Larm串联而成。图中Udc表示直流母线电压,upiuni分别表示i相单元上下桥臂对外的整体输出电压。

图1
三相MMC拓扑结构
Fig.1
Topology of 3 phase MMC

子模块采用图2所示的半桥型结构;通过对T1T2这2个IGBT进行通断控制,可以让子模块输出不同电压,如式(1)所示。

uSM={ 0,T1=0,T2=1uc,T1=1,T2=0

式中:uSM为子模块输出电压;uc表示子模块电容电压。

图2
模块化多电平变换器子模块拓扑结构图
Fig.2
Topology of submodule of MMC

通过控制桥臂内各个子模块的输出电压,就可以改变桥臂对外输出的整体电压upiuni。通过选择合适数量的子模块投入到相单元中,即可保持直流母线电压稳定;而在此前提下改变相单元上下桥臂投入的子模块数,即可改变变换器交流侧输出电压,实现目标交流电压输出。

2 MMC启动过程

上述MMC稳态运行过程是建立在所有子模块已经具备稳定电容电压的基础之上的。系统启动运行时,所有子模块电容电压均为0;因此,需要先对子模块电容进行充电,即需要对MMC进行启动控制。根据控制器能否对子模块工作状态进行主动控制,MMC的启动过程可以具体分为不可控充电过程和可控充电过程。

2.1 不可控充电过程

启动初始时刻,子模块控制保护单元并无工作电压,IGBT脉冲均处于封锁状态,系统开始不可控充电过程。此阶段的响应过程是系统拓扑结构决定的,此时,子模块的工作状态由流经子模块的桥臂电流方向唯一决定,如图3所示,图中带箭头虚线表示桥臂电流流通路径。

图3
不可控充电阶段子模块的工作模式
Fig.3
Working modes of submodule with automatic charging

图3所示的子模块2种工作模式可知,在不可控充电阶段,子模块拓扑结构决定了交流系统提供的充电电源会对子模块电容进行充电,且不存在使子模块电容放电的情况。子模块的这种工作特性决定了变换器可以通过不可控预充电阶段预先建立一定的电容电压,以方便子模块的控制保护单元启动,从而进行后续的可控充电并完成变换器的启动过程。

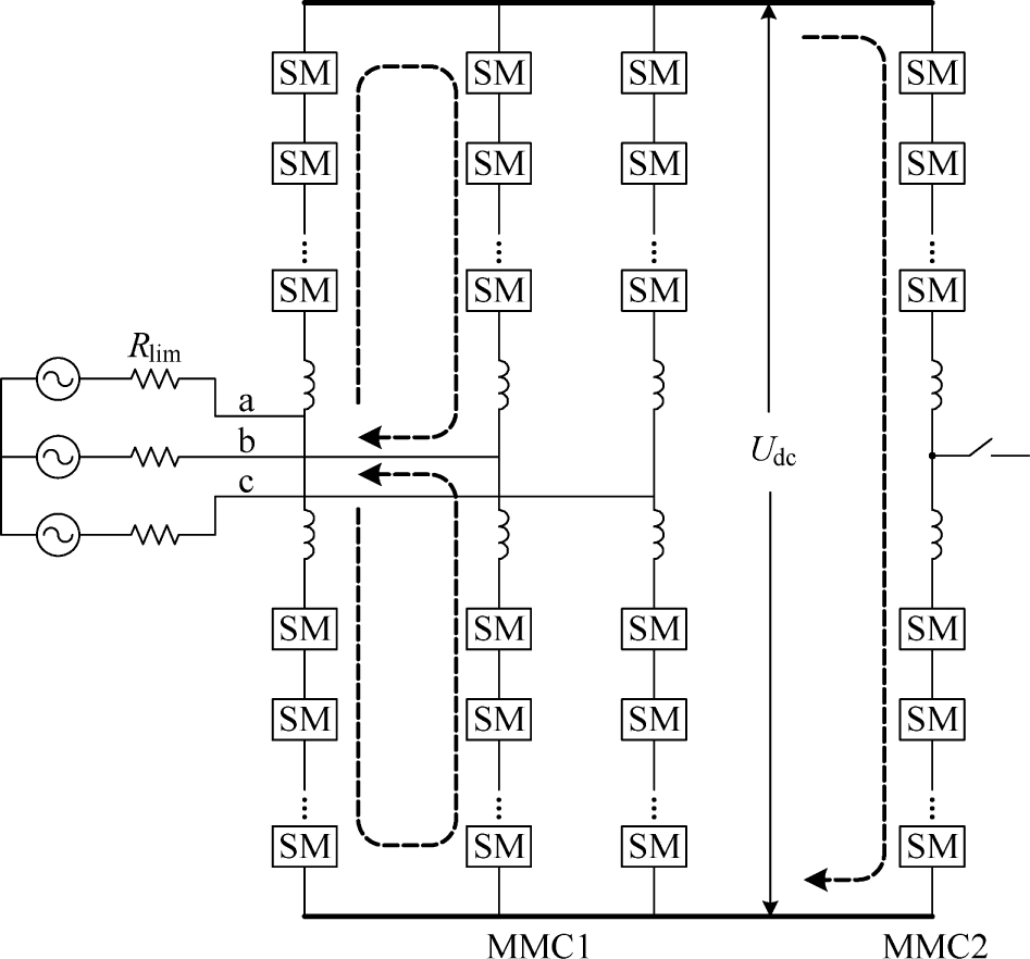
图4所示为不可控充电过程中充电电流流通路径,为不失一般性,考虑背靠背双端系统。

图4
不可控预充电电流路径
Fig.4
Automatic pre-charging current path

图中MMC1连接强交流网络,并利用交流侧电网电压完成预充电;MMC2通过直流母线与MMC1相连,并利用直流母线电压对子模块电容进行充电。由于三相桥臂对称,图中只画出MMC2的一相单元以示说明。对图4所示的背靠背系统,无论换流器MMC2交流侧连接有源网络还是无源网络,都可以采用上述方法完成系统的启动过程。

图4Rlim表示为限流电阻,带箭头虚线表示交流a相电压高于b相电压时,两端换流器内部充电电流的流通路径。随着交流系统交流电压不断交变,交流侧电流在变换器6个桥臂中不断地换相,桥臂电流的换相过程类似于三相不可控整流过程。与不可控整流不同的是,换流器启动过程中的“负载”电容不再固定在直流侧,而是根据桥臂之间的电流换相过程而选择性地接入换流器的各个桥臂上。而具体接入换流器的哪一个桥臂,需要视桥臂电流性质而定:具体到某一时刻,当桥臂电流大于零时,二极管D1导通,该桥臂上的“负载”电容被投入充电,如图3(a)所示。随着桥臂电流方向不断改变,根据图3所示子模块的2种工作模式,当桥臂电流为充电电流时,子模块电容被充电,否则子模块电容电压保持不变,直至所有充电回路上子模块电容串联电压等于交流系统提供的充电电压,不可控充电过程完成。根据文献[10]的分析,经过不可控充电过程,MMC1、MMC2中子模块电容能被充至的最高电压分别为:

uc_MMC1_last=ULLN

uc_MMC2_last=ULL2N

式中:ULL表示变换器交流侧线电压幅值;N表示变换器每个桥臂包含的子模块数。

图4所示,为了避免预充电过程中出现过大的充电电流,需要在充电回路上加装限流电阻。根据文献[15]的分析,预充电过程中的最大充电电流出现不可控充电开始的瞬间,此时,所有子模块电容均未被充电,直流母线电压为0,直流母线近似为短路,变换器的充电回路可等效为图5

图5
预充电开始时刻的系统等效电路图
Fig.5
Equivalent circuit of system when pre-charging starts

根据以上等效电路图,可以求得预充电过程中的电流最大值:

Icharge_max=2Uph2(Rlim+Req)2+ω2(Leq+12Larm)2

式中:Uph表示变换器交流侧相电压有效值,ReqLeq代表的等效阻抗均很小,桥臂电感Larm的取值为毫亨数量级,其等效阻抗相对于限流电阻Rlim都比较小,故Icharge_max的计算结果主要取决于限流电阻的取值。为保证系统的安全启动,Icharge_max不能超过换流器桥臂所能承受的最大电流,该最大电流的取值是由变换器的开关器件IGBT、二极管以及电容等元器件的通流能力决定的。

2.2 可控充电过程

由上一节分析可知,经过不可控充电过程预充电,MMC子模块电容能够建立一定电压,但是不能充电至变换器稳态运行所需的工作电压,因此,需要进一步抬升子模块电容电压,即利用子模块的控制保护单元对子模块工作状态进行主动控制实现可控充电。

现有文献对可控充电过程的控制主要是采用旁路限流电阻、引入斜率控制等专门的预充电控制器以进一步提升子模块电容电压。此类方法一方面没能充分利用限流电阻的限流能力,另一方面因为引入了专门的控制器,增加了系统设计的复杂程度。为此,本文设计了一种简单有效的可控充电解锁控制策略,利用限流电阻的限流能力,对变换器各个桥臂内的子模块进行逐个解锁充电。该策略只需要每个子模块根据所在桥臂电流方向选择投入或切除操作,并由最后1个子模块返回桥臂充电完成的标志信号,直到所有桥臂的子模块电容均被充电至稳态运行电压,启动过程完成。所提可控充电解锁流程如图6所示。

图6
可控预充电解锁流程
Fig.6
Unlock process of controlled pre-charging

由上述解锁过程可知,由于每个桥臂每个时刻最多只投入了1个子模块进行预充电,所以在此阶段也会出现较大的充电电流。但由于此时系统中所有子模块电容已经具备一定直流电压,故这一阶段的电流最大值并不会超过式(4)所示的最大充电电流,因此,采用上述解锁控制策略,不会影响限流电阻的配置。

由流程图可知,为适应不同电平数的变换器的解锁控制,只需要改变参数N即可,十分便于扩展至不同的电平数,且所提策略无需设计专门的控制器即可将所有子模块电容充电至稳态运行所需的电压,大大简化了MMC的启动控制。

3 仿真验证

为验证本文所提解锁控制策略的有效性,采用所提策略对图7所示的双端MMC系统的启动过程在PSCAD/EMTC软件平台上进行了仿真验证,仿真参数设置如下:变换器交流侧相电压幅值Uph_M=20 kV,子模块数N=10,限流电阻Rlim=20 Ω,桥臂电感Larm=4 mH,子模块电容C=6 000 μF,子模块电容参考电压Ucref =4 kV,仿真过程中变换器MMC2交流侧与交流系统2断开连接,仿真结果如图8图9图10所示。

图7
MMC预充电仿真模型拓扑图
Fig.7
Topology of MMC pre-charging simulation model

图8
MMC预充电启动过程仿真结果
Fig.8
Simulation results of pre-charging process of MMC

图9
不可控预充电与不可控整流对比仿真结果
Fig.9
Comparison of uncontrolled charging process and uncontrolled rectifying process

图10
预充电转正常运行对比仿真结果
Fig.10
Simulation results between the pre-charging Procedure and normal operation

图8(a)为预充电时MMC1和MMC2中a相单元上桥臂子模块电容电压波形,其余桥臂的电容电压波形与此类似,在此不再一一列举。图8(b)为预充电过程中变换器交流侧充电电流波形。图中虚线前后分别表示不可控预充电和可控预充电两个启动阶段。由图8(a)可知,在不可控预充电阶段,子模块电容电压波形从零逐渐上升为稳态值,近似于一阶RC电路的零状态响应,且充电电流的最大值出现在预充电过程开始的瞬间,如图8(b)所示,与前文理论分析相一致。在本文设置的仿真算例中,启动初始时刻的最大充电电流约为1 kA,根据设置的仿真参数,仿真结果与式(4)所示的理论计算结果相符。

待所有子模块电容电压均被充电至不可控预充电过程的稳态值后,系统进入可控预充电阶段。由图中虚线以后的仿真波形可以看出,在可控预充电阶段,桥臂中子模块电容电压被逐个抬升至其稳态参考值4 kV,之后即被旁路,电容电压保持不变。

在可控预充电阶段,交流侧也出现了较大的充电电流,但此时的充电电流最大值并未超过不可控充电过程开始时刻的电流峰值,如图8(b)中点划线所示,与前文理论分析结果相符。

为进一步详细分析不可控充电过程中子模块电容电压抬升过程,将MMC变换器的不可控充电过程和三相不可控整流过程进行了仿真对比分析,仿真结果如图9所示。

图中蓝色曲线为不可控预充电过程中变换器MMC1的a相单元中上下桥臂子模块电容电压,绿色曲线表示相同工况下三相全桥不可控整流器的桥臂电流波形。对比仿真波形可知,MMC1中桥臂子模块电容电压均是在相应桥臂流过充电电流的时间段被抬升,而在其他时刻电容电压则保持不变,验证了前文的理论分析结论。

为验证本文解锁控制方案的平滑性,将本文所述方案与在不可控充电后直接引入双闭环的控制方法[16]进行了对比仿真研究,仿真结果如图10所示。图10中子图(a)(b)和(c)(d)所示分别为直接引入双闭环控制和本文第2节所述解锁控制策略的仿真结果。对比2种控制策略的仿真结果可知,若直接采用双闭环控制,在变换器由预充电转正常运行时,子模块电容电压会出现较大波动,过大的电压波动会增加对子模块电容的冲击,缩短电容器使用寿命;而在本文所述的解锁策略控制下,由于子模块电容电压已经预先被充电至稳态运行电压,变换器由预充电转至正常运行时子模块电容电压波动幅值显著降低,工作状态的切换过程更为平滑,电压波动对电容器造成的冲击明显减小,有利于延长子模块电容器的使用寿命。

4 结论

本文将MMC的启动过程划分为不可控充电过程和可控充电过程进行了深入研究。通过将不可控充电过程和三相不可控整流过程进行了对比,详细分析了不可控充电过程中MMC子模块电容电压的抬升过程。针对可控充电过程,提出了一种解锁控制方案,该策略能够在不可控充电的基础之上将所有子模块电容电压快速抬升至变换器稳态运行所需电压水平,减小变换器切换工作状态时的电容电压波动,降低对子模块电容器的冲击,有利于延长子模块电容器的使用寿命。所提解锁控制策略实现方法简单,便于扩展到不同的电平数,具备一定的工程应用价值。

参考文献

[1] 董云龙杨勇田杰. 基于模块化多电平换流器的柔性直流输电动态模拟系统[J]. 电力系统自动化,2014, 38(11):74-78.
DONG Yunlong, YANG Yong, TIAN Jie, et al. Dynamic simulation system for modular multilevel converter based VSC-HVDC[J]. Automation of Electric Power Systems, 2014, 38(11):74-78.
[本文引用:1]
[2] 李文津汤广福贺之渊. DFIG风电场经模块化多电平柔性直流并网控制策略[J]. 电力系统自动化,2013, 37(15):20-26.
LI Wenjin, TANG Guangfu, HE Zhiyuan. Control strategies of DFIG-based wind farm integration using modular multilevel VSC-HVDC technology [J]. Automation of Electric Power Systems, 2013, 37(15):20-26.
[本文引用:1]
[3] KAROUI K, RAHMANN C, ARRIAGADA A. AC inter-connection between longitudinal power systems—The Chilean case[C]//2015 IEEE Power & Energy Society General Meeting, 2015: 1-6.
[本文引用:1]
[4] 赵昕赵成勇李广凯. 采用载波移相技术的模块化多电平换流器电容电压平衡控制[J]. 中国电机工程学报,2011, 31(21):48-55.
ZHAO Xin, ZHAO Chengyong, LI Guangkai, et al. Submodule capacitor voltage balancing of modular multilevel converter based on carrier shifted SPWM technique [J]. Proceedings of CSEE, 2011, 31(21):48-55.
[本文引用:2]
[5] DENG F J, CHEN Z. A control method for voltage balancing in modular multilevel converters[J]. IEEE Transactions on Power Electronics, 2014, 29(1):66-76.
[本文引用:2]
[6] 孙世贤田杰. 适合MMC型直流输电的灵活逼近调制策略[J]. 中国电机工程学报,2012, 32(28):62-68.
SUN Shixian, TIAN Jie. Flexible approach modulation strategy for HVDC based on modular multilevel converter[J]. Proceedings of CSEE, 2012, 32(28):62-68.
[本文引用:2]
[7] 阎发友汤广福贺之渊. 一种适用于模块化多电平换流器的新型环流控制器[J]. 电力系统自动化,2014, 38(1):104-109.
YAN Fayou, TANG Guangfu, HE Zhiyuan, et al. A novel circulating current controller for modular multilevel converter[J]. Automation of Electric Power Systems, 2014, 38(1):104-109.
[本文引用:2]
[8] 曹春刚赵成勇陈晓芳. MMC-HVDC系统数学模型及其控制策略[J]. 电力系统及其自动化学报,2012, 24(4):13-18.
CAO Chungang, ZHAO Chengyong, CHEN Xiaofang. Mathe-matical model and control strategy of MMC-HVDC[J]. Proceedings of the CSU-EPSA, 2012, 24(4):13-18.
[本文引用:1]
[9] CUI S H, KIM S, JUNG J J, et al. Principle, control and comparison of modular multilevel converters (MMCs) with DC short circuit fault ride-through capability[C]//2014 Twenty-Ninth Annual IEEE Applied Power Electronics Conference and Exposition (APEC), 2014: 610-616.
[本文引用:1]
[10] 孔明邱宇峰贺之渊. 模块化多电平式柔性直流输电换流器的预充电控制策略[J]. 电网技术,2011, 35(11):67-73.
KONG Ming, QIU Yufeng, HE Zhiyuan, et al. Pre-charging control strategies of modular multilevel converter for VSC-HVDC[J]. Power System Technology, 2011, 35(11):67-73.
[本文引用:4]
[11] 李探赵成勇王朝亮. 用于电网黑启动的MMC-HVDC系统换流站启动策略[J]. 电力系统自动化,2013, 37(9):117-122.
LI Tan, ZHAO Chengyong, WANG Chaoliang, et al. Startup schemes for converter station of MMC-HVDC systems applied in grid black start[J]. Automation of Electric Power Systems, 2013, 37(9):117-122.
[本文引用:2]
[12] 华文赵晓明黄晓明. 模块化多电平柔性直流输电系统的启动策略[J]. 电力系统自动化,2015, 39(11):51-58.
HUA Wen, ZHAO Xiaoming, HUANG Xiaoming, et al. A startup strategy for modular multilevel converter based HVDC system[J]. Automation of Electric Power Systems, 2015, 39(11):51-58.
[本文引用:2]
[13] 周建苏建徽王新颖. 模块化多电平换流器的预充电控制[J]. 高压电器,2014, 50(4):103-107.
ZHOU Jian, SU Jianhui, WANG Xinyin. Pre-charging control of modular multilevel converter[J]. High Voltage Apparatus, 2014, 50(4):103-107.
[本文引用:1]
[14] 宋平岗李云丰王立娜. MMC-HVDC电容协同预充电控制策略[J]. 高电压技术,2014, 40(8):2471-2477.
SONG Pinggang, LI Yunfeng, WANG Lina, et al. Capacitor coordinating pre-charging control strategy of MMC-HVDC[J]. High Voltage Engineering, 2014, 40(8):2471-2477.
[本文引用:1]
[15] 肖晃庆徐政薛英林. 多端柔性直流输电系统的启动控制策略[J]. 高电压技术,2014, 40(8):2550-2557.
XIAO Huangqing, XU Zheng, XUE Yinglin, et al. Start control strategy of MMC-MTDC system[J]. High Voltage Engineering, 2014, 40(8):2550-2557.
[本文引用:2]
[16] 周月宾江道灼郭捷模块化多电平换流器型直流输电系统的启停控制[J]. 电网技术,2012, 36(3):204-209.
ZHOU Yuebin, JIANG Daozhuo, GUO Jie, et al. Start/stop control of modular multilevel converter based HVDC Transmission system[J]. Power System Technology, 2012, 36(3):204-209.
[本文引用:1]
资源
PDF下载数    
RichHTML 浏览数    
摘要点击数    

分享
导出

相关文章:
关键词(key words)
模块化多电平变换器(MM...
预充电
解锁控制
电容电压波动

modular multilevel conver...
pre-charging
unlock control
capacitor voltage fluctua...

作者
姚骏
谭义
赵磊

YAO Jun
TAN Yi
ZHAO Lei