Distributed Energy,2017, 2(6): 31-37
doi: 10.16513/j.cnki.10-1427/tk.2017.06.006
波浪能、潮流能发电场电力系统研究
Power System for Wave Energy and Tidal Energy Generation Site
段春明1,朱永强2
1.国网冀北电力有限公司经济技术研究院,北京 西城 100038
2.新能源电力系统国家重点实验室(华北电力大学), 北京 昌平 102206
 
【摘要】  海洋能(波浪能、潮流能)发电场的电力系统是整个发电场的核心部分,因此电力系统拓扑的设计应能够满足海洋能发电装置实海况并网发电、安全可靠输送的要求。首先,分析了发电场电力系统的构成,并从经济性和可靠性方面对几种发电机组区内集电系统拓扑结构进行对比分析,并给出2种区间拓扑结构,结合实际工程经验,提出了新的发电装置集电系统拓扑结构。同时,对比分析交流系统、高压直流以及柔性直流等3种海洋能发电场输电系统的设计方案。分析表明,输电系统和机组集电系统的设定受到建设环境、系统容量、离岸距离、技术方式等的影响,需进行经济性、技术性的综合比较后确定。文章可为实现国内海洋能发电场或测试场建设提供技术依据。
【关键词】  波浪能 ; 潮流能 ; 发电场 ; 集电系统

【Abstract】  Power system of ocean energy (wave energy and tidal energy) power generation is the core part of the whole power generation field, so the design of power system topology should be able to meet the requirements of rid connected power generation under real-time conditions, safe and reliable transportation of ocean energy power generation device. This paper firstly analyzes the structure of the power system in the power plant, compares the topologies of the energy acquisition system in several gensets from the aspects of economy and reliability, and gives two kinds of interval topologies. Based on the practical engineering experience, this paper proposes a new topological structure of energy acquisition system for generation device. At the same time, the design schemes of transmission systems of three kinds of ocean energy fields including AC system, HVDC and flexible DC are comparatively analyzed. The analysis shows that the setting of the power transmission system and the unit energy acquisition system are affected by the construction environment, the system capacity, the offshore distance, the technical mode, etc., which needs to be economically and technically comprehensively determined. The analysis results can provide technical basis for the realization of domestic ocean energy generating electric field or test site construction.
【Key words】  wave energy ; tidal energy ; power plant ; energy acquisition system
 
0 引言

海洋能作为重要的可再生能源,其开发和利用已成为能源领域研究的热点以及前沿技术,其中,波浪能和潮流能开发利用最广泛,最成熟。我国海洋能资源丰富,沿海地区经济发达、用电量高,海岛地区缺电严重,这就需要加快开展我国海洋能发电技术的应用,建设海洋能发电场势在必行。

目前,欧洲一些海洋能开发领先的国家已经建成了用于测试和验证的海洋能测试场,文献[1,2]介绍了这些测试场主要应用于商业运作的波浪能和潮流能能量转换装置及相关技术的海洋能测试,但海洋能测试场与海洋能发电场的电气系统具有一定区别,海洋能发电场要求具有持续稳定的发电运行、为岸上负荷提供电能的能力;测试场则主要对发电装置进行性能测试和验证,往往只在测试时,电力系统才处于工作状态。文献[3]从经济性方面分析了几种潮流能发电场的电气系统结构,文献[4]给出了波浪能、潮流能试验场方案的总体设计,并浅析了并网标准,然而,两者都没有给出具体的区内和区间的拓扑结构。

由于海洋能发电场的电力系统是整个发电场的核心部分,电力系统应该能够满足海洋能发电装置(主要指潮流能、波浪能发电装置)实海况并网发电、安全可靠输送的要求。目前,国内还没有海洋能测试场及发电场,本文借鉴国外海洋能发电测试场和成熟的海上风电场电力系统的建设经验,同时考虑海洋特殊的环境因素和海洋能发电特性,通过对几种拓扑结构的经济性及可靠性比较,设计和研究适用于波浪能、潮流能的海上发电场电力系统,以期为实现国内海洋能发电场或测试场建设提供技术依据。

1 海洋能发电场电力系统构成

以波浪能和潮流能为研究对象的海洋能发电场电力系统由海洋能发电装置、发电装置集电系统、输电系统、岸基配电系统、并网系统这5部分组成,如图1所示。发电场的研究需兼顾可行性、可靠性和经济性,针对发电装置集电系统、输电系统部分进行技术的经济性、可靠性评估,结合海上风电场经验,形成一套海洋能发电场电力系统研究方案。

图1
海洋能发电场电力系统构成
Fig.1
Power system constitution of ocean energy power plant

海洋能发电场的一次系统包括发电场区、集电系统、配电系统,如图2所示。发电场区包括海洋能发电装置、变流器、机载变压器、海底电缆等;集电系统包括海底电缆、海上平台/换流站等;岸基配电系统包括升压变电站,陆上换流站,储能设备等。二次系统主要是监控设备及保护系统。

图2
海洋发电场结构图
Fig.2
Construction of ocean energy power site

发电机组集电拓扑结构中,每个发电装置引出的交流输电方式存在并联约束问题。变流系统由AC/DC变换装置、DC/DC变换装置、并网逆变器这3部分构成。波浪能、潮流能发电装置发出的电能首先经过整流环节将若干发电机在直流侧联接成发电机组,从而避免了频率和相位不同的问题,也同时增大了能量的输出。

AC/DC变换装置主要是将海洋能发电机组发出的电压幅值和频率波动不规则的交流电变换成直流电,保证潮流发电机组出口的功率流动通道;DC/DC变换装置主要是平滑潮流能和波浪能出力波动与并网功率的偏差,实现系统功率的平滑调节;并网逆变器可进行逆变侧功率调节,实现有功功率和无功功率的独立控制。

2 发电机组集电系统拓扑结构

海洋能发电场与传统的大型火力发电厂及水电厂不同,其发电机组的单机容量较小,一般只有几百kW至几MW,其中,潮流能发电机组要比波浪能发电机组发电容量稍大。因此,要形成规模化海洋能并网发电,需具有大量的潮流能或波浪能发电机组。集电系统的作用就是将每台发电机组发出的电能按照一定的方式进行集中。不同的集电方案各有优缺点,应根据发电场规模,进行可靠性、经济性等方面的分析来确定。

2.1 区内集电拓扑结构

当发电场区内多台同类型海洋能发电装置进行并网时,需要对其进行合理的布局,通过海上风电场的建设经验可知,常见的形式有放射形布局、环形布局、星形布局等[5]

2.1.1 放射形布局

放射形布局是最简单的“串行”接线,将“一串”发电机组连接在同一条中压海底电缆上,如图3所示,电能通过若干条中压海底电缆输送到中压汇流母线上。该布局结构简单、投资成本低,但可靠性不高,若海底电缆的某处发生故障,那么整条中压电缆都将被迫切除,与其连接的所有海洋能发电机组都将停运。

图3
放射形汇流方式
Fig.3
Radial layout

2.1.2 环形布局

环形布局有单边环形、双边环形、复合环形这3种形式,比放射形布局需要规格更高、长度更长的电缆,因此成本较高,但其能实现一定程度的冗余,在某处电缆发生故障时,可以改变潮流分布而使得尽可能多的机组正常运行。

单边环形与放射形相比,通过增加1条冗余的电缆将电缆末端的机组连到中压汇流母线上,如图4所示。如果电缆某处故障,可以通过加装在电缆上的开关设备切除,保证发电机组正常运行。该布局能够提高系统的运行可靠性,但增加了开关设备导致操作复杂,增加了冗余电缆导致成本较高,所以需通过设计不同的开关配置方案,以减少复杂度和成本。

图4
单边环形汇流方式
Fig.4
Unilateral ring layout

双边环形是经1条冗余的电缆将2条相邻电缆末端的机组连接,如图5所示。由于同1条电缆连接的发电机组数量加倍,故电缆额定功率也加倍,使投资成本增加。

图5
双边环形汇流方式
Fig.5
Bilateral ring layout

复合环形是将相邻几条电缆末端的机组互联,然后经1条冗余的电缆将末端的机组连回到中压汇流母线上,如图6所示。该布局相比单边环形减少冗余电缆的数量,相比双边环形可以降低电缆的额定容量,但增加了开关设备数量。

图6
复合环形汇流方式
Fig.6
Composite ring layout

2.1.3 星形布局

星形集电系统为圆形排布,如图7所示。适合海水流向变化频繁的海域,而一般海域海水流向基本稳定,适合点吸收式波浪能发电机组布局,不适合潮流能发电机组布局。由于星形连接点处的电缆只与1台机组相连,故其可靠性高于链形结构,但低于环形结构[6]。目前已建成的风电场绝大多数采用星形结构,每串星形接线上连接的最大风机数量取决于电缆的最大额定容量。

图7
星形汇流方式
Fig.7
Star layout

2.2 区间集电拓扑结构

一般情况下,波浪能发电的海况与潮流能发电的海况不同,因此二者的发电场区不应部署在同一海域,区间集电方案必须兼顾上述2种情况。

2.2.1 集中接入方式

当波浪能发电装置和潮流能发电装置存在于相近海域时,为了有效利用海底电缆通道,通过引入汇流母线实现集中接入输送。

波浪能和潮流能发电场区分别通过中压电缆接入海上汇流母线后,统一送至岸上变电站、配电系统,如图8所示。该方式的优点是节约海底电缆,充分利用海底电缆的输送容量;缺点是当交流汇流时,需要严格满足并联约束条件,否则将会在各区域间形成功率环流,此刻需设置海上换流站;当直流汇流时,并联条件只需保证直流电压一致即可。

图8
集中接入方式
Fig.8
Centralized access

2.2.2 分散接入方式

波浪能发电场区和潮流能发电场区不建设海上汇流母线,各自直接与岸基配电系统相连,如图9所示。该方案的优点是不必考虑并联约束条件,故交流输电方式、直流输电方式均适用于此方案。确实是海底输电电缆无法共用,造成了输送容量的浪费。

图9
分散接入方式
Fig.9
Decentralized access

2.3 推荐拓扑分析

放射形布局和星形布局为无备用接线方式,其余全为有备用接线方式,冗余备用线路能提高发电场的发电可靠性,但需要较多价格昂贵的海底电缆,投资成本较高,若无特殊需求一般不予考虑。为了提高稳定性,可通过适当减少单条电缆线路的机组并联数。

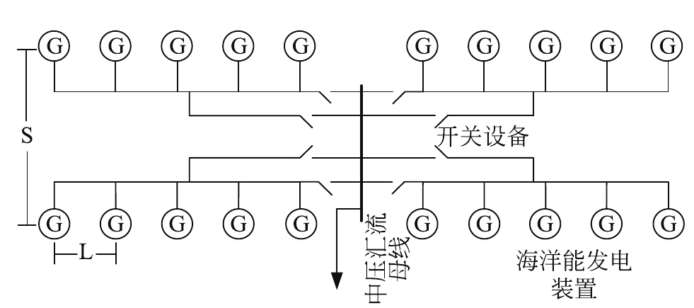
由于潮流能比较稳定,潮流流速方向基本不变,所以潮流能发电机组集电拓扑结构以线性排列为主,并考虑经济性,采用放射形汇流方式最合适[7]。由于波浪存在波峰波谷现象,能量变化率更大,而且波浪能装置种类繁多,若波能装置为垂荡系统装置,则不需考虑波向,排列较为简单,星形汇流方式即可;若波能装置为振荡水柱式,则发电机组布局需重点考察波浪的传播方向,减少相互干扰,多为迎波向排列,可考虑放射形布局。备选方案如图10所示,将星形布局与放射形布局结合,海洋能机组通过海底电缆像“字符串”一样串连起来,在首段和中间通过两条馈线连接到中压汇流母线上,电缆上加装必要的开关设备,如断路器、隔离开关等。

图10
发电装置推荐拓扑方案
Fig.10
Recommended topology of generation device

根据国外海洋能测试场的研究分析可知,图10中,海洋能发电场区离岸距离为1~4 km,最远可达20 km。机组之间的距离L为0.5~1 km,每组发电机组相距SLS的值应根据实际海况的波浪波长、潮流流速、流向变化等考虑设计。设L=0.5 km,则不同拓扑结构下所需的电缆长度及断路器数目,如表1所示,其成本与可靠性对比如图11所示。

表1
发电场集电拓扑关键设备数目
Table 1
Key equipment number of farm electricity acquisition topology

图11
接线方案对比
Fig.11
Comparison of different kinds of layout

该接线方案在一定程度上增加了开关设备数量,增大了电缆长度,但是提高了输电可靠性,相比环形接线,更省电缆。

3 输电系统方式分析

对于规模较小的海洋能发电场,一般可以采用基于交流输电技术的电气接线方式,并加装无功补偿装置。对于容量达到百MW级的大型海洋能发电场,由于受到交流电缆充电电流的影响,如果采用交流输电并网,则传输距离和传输容量都会受到限制,可以采用基于电压源型换流器的轻型高压直流输电的电气接线方案或者基于传统相控换流器的电气接线方案[8]

交流输电与直流输电方式相比,省去了整流器和逆变器,故成本相对较小,但存在并联约束条件,必须经过处理,统一频率和电压后才能并联接入;且交流输电,海底电缆会产生很大的电容,这种容性充电电流会产生大量的无功功率,故需要在岸上进行无功补偿。同时,随着海洋能发电装置装机容量的加大以及离岸距离逐渐变远,交流的传输容量将会逐步减小,最终将无法满足发电场输电和并网的需求,如图12所示。

图12
交流输电距离-容量关系曲线
Fig.12
Relationship of transmission distance and capacity of AC line

在长距离输电中,直流输电同交流输电在进行经济比较时有一个等价经济距离问题。随着电力电子器件和高压直流输电设备的发展,这一距离在逐渐缩短。图13为交直流输电成本比较。图14为三类输电方式指标综合比较[9,10]。可此看出,随着输电距离的增加,直流输电的优势更加明显。

图13
交直流输电成本比较
Fig.13
Cost comparison of AC transmission and DC transmission

图14
3类输电方式比较
Fig.14
Comparison of three transmission modes

由于海洋能发电场固有的分散性、小型性、远离负荷中心等特点,需要对经济、技术、可控性等多方面因素进行综合比较,以确定采用交流输电技术还是直流输电技术。当前,海洋能发电场需经历从无到有,从小到大的过程,所以目前发展将是输电距离较短、电压等级和输送容量较低,可采用交流输电系统。各类输电方式的特性对比情况如表2所示。

表2
潮流能发电场不同输电方式的特性对比
Table 2
Different transmission modes features comparison of tidal current energy power plant

4 结论

在实际工程中,海洋能发电场选择何种方式的输电并网系统,需要根据当前海域海况,结合发电场的建设规模和离岸距离来考虑,进行经济性、技术性的综合比较后确定。输电系统和机组集电系统的成本受到系统容量、离岸距离、技术方式等的影响。总的来说,星形布局和推荐拓扑都具有一定优势,星形布局是当前海上风电场的常用形式,区间分散接入方式适合小容量系统,区间集中接入方式适合大容量系统。而交流输电并网方式技术最成熟,结构最简单,成本也最低,却受制于传输距离和容量,所以这种方式适用于小容量、近距离输电。传统的HVDC 输电并网方式不受输电距离的限制,但换流站的成本较高,可考虑在特大型发电场中采用。VSC-HVDC 输电并网方式受到绝缘栅双极型晶体管发展水平的限制,最大传输容量受限以及换流站成本较高,适用于中大型潮流能发电场。

参考文献

[1] 段春明. 海洋可再生能源发电场集电系统研究[D]. 北京华北电力大学2014.
DUAN Chunming. Research on collector system of marine renewable energy farm[D]. Beijing: North China Electric Power University, 2014.
[本文引用:1]
[2] LEWIS T. The status of ocean energy development in europe and some current research questions[C]//MTS/IEEE Kona Conference. OCEANS'11, Kona, HI, United states, September, 2011.
[本文引用:1]
[3] 申惠琪. 大型潮流能发电场的电气系统经济性分析与测试评价[D]. 北京华北电力大学2013.
SHEN Huiqi. Economic analysis of electrical system and test about tidal current energy farm[D]. Beijing: North China Electric Power University, 2013.
[本文引用:1]
[4] 唐杨. 波浪能、潮流能试验场方案设计与并网标准研究[D]. 北京华北电力大学2013.
TANG Yang. Wave energy, tidal current energy field test program design and grid standards[D]. Beijing: North China Electric Power University, 2013.
[本文引用:1]
[5] 王建东李国杰. 海上风电场内部电气系统布局经济性对比[J]. 电力系统自动化,2009, 33(11): 99-103.
WANG Jiandong, LI Guojie. Economic comparison of different collector networks for offshore wind farms[J]. Automation of Electric Power Systems,2009, 33(11): 99-103.
[本文引用:1]
[6] 靳静艾芊奚玲玲. 海上风电场内部电气接线系统的研究[J]. 华东电力,2007, 35(10): 20-23.
JIN Jing, AI Qian, XI Lingling, et al. Internal electrical wiring systems of off-shore wind farms[J]. East China Electric Power, 2007, 35(10): 20-23.
[本文引用:1]
[7] 陈宁. 大型海上风电场集电系统优化研究[D]. 上海上海电力学院2011.
CHEN Ning. Optimization research of large offshore wind farm collection system[D]. Shanghai: Shanghai Electric Power Institute, 2011.
[本文引用:1]
[8] 孙君洋朱淼高强. 大型海上交流风电场内部拓扑优化设计[J]. 电网技术,2013, 37(7): 1978-1982.
SUN Junyang, ZHU Miao, GAO Qiang, et al. Optimal design of internal topology for high power AC offshore wind farms[J]. Power System Technology, 2013, 37(7): 1978-1982.
[本文引用:1]
[9] 段春明朱永强叶青. 海上试验场潮流能发电装置综合测试与评价方法分析[J]. 海洋通报,2014, 33(5): 566-570.
DUAN Chunming, ZHU Yongqiang, YE Qing, et al. Analysis of the integrated test and evaluation methods of tidal current energy generating device in offshore testing site[J]. Marine Communications, 2014, 33(5): 566-570.
[本文引用:1]
[10] BREUER W, CHRISTL N. 大容量陆地和海上风电场的电网接入方案[J]. 中国电力,2007, 40(3): 74-78.
BREUER W, CHRISTL N. Grid access solutions for large scale on-/offshore wind park installations to the power grid[J]. Electric Power, 200740(3): 74-78.
[本文引用:1]
资源
PDF下载数    
RichHTML 浏览数    
摘要点击数    

分享
导出

相关文章:
关键词(key words)
波浪能
潮流能
发电场
集电系统

wave energy
tidal energy
power plant
energy acquisition system

作者
段春明
朱永强

DUAN Chunming
ZHU Yongqiang