Distributed Energy,2017, 2(6): 38-45
doi: 10.16513/j.cnki.10-1427/tk.2017.06.007
电网故障条件下并网光伏逆变器控制策略研究
Control Strategies of Grid-Connected Photovoltaic Inverter Under Grid Fault Conditions
曹炜,王海华,陆冉
中国能源建设集团江苏省电力设计院有限公司,江苏 南京 211102
 
【摘要】  电网故障条件下光伏逆变器的有效控制,对提高光伏发电系统的并网运行能力具有重要意义。首先分析了不同电网故障时并网光伏逆变器的运行特性,进而提出了不同电网故障条件下并网光伏逆变器的控制策略。针对对称故障,采用限制功率的方法来对输出电流进行限制;针对不对称故障,首先对目前研究较为广泛的不对称电压故障条件下光伏逆变器控制方法进行了分析,进而提出了2种考虑电流峰值和有功和无功功率波动的协调控制策略,以拓展逆变器输出有功功率,并对2种协调控制策略进行了对比分析。所提出的控制策略能够保证光伏系统在满足并网要求的前提下实现低电压穿越,通过在PSCAD/EMTDC中建立仿真模型验证了所提出控制策略的正确性。
【关键词】  光伏逆变器 ; 低电压穿越 ; 协调控制策略 ; 电流峰值 ; 功率波动

【Abstract】  The effective control of photovoltaic inverter under grid faults is very important for the grid-connected operation of the photovoltaic generation system. This paper first analyzes the performance characteristics of grid-connected photovoltaic inverter under different grid faults, and proposes control strategies of grid-connected photovoltaic inverter under different grid faults. Aiming at symmetrical fault, limiting active power to constrain output current is adopted. Aiming at unsymmetrical fault, in order to expand active power, the approaches of PV inverter during unbalanced voltage sag, which are widely being researched at present, are analyzed, and two coordinated control strategies considering peak current and active and reactive power fluctuations are proposed, comparison and analysis of two coordinated control strategies have been made. Using the proposed control strategies, the low voltage ride-through (LVRT) of PV inverter has been realized to meet the requirements of grid code. The simulation models in PSCAD/EMTDC have been established to validate the proposed control strategy.
【Key words】  photovoltaic inverter ; LVRT ; coordinated control strategy ; peak current ; power fluctuation
 
0 引言

近年来,随着光伏发电成本不断降低,太阳能等清洁能源发展迅速,在电网中的比例越来越大[1,2,3]。在国家能源局《电力发展“十三五”规划》等规划中提出大力推广分布式光伏发电,实现集中式和分布式光伏发电并举。我国光伏装机容量不断扩大,对电网稳定性的影响也日益显著。在《光伏发电站接入电力系统技术规定》[4]及《光伏电站接入电网技术规定》[5]等一系列标准中均明确要求光伏发电系统应避免在电网电压异常时脱离,引起电网电源的损失,即低电压穿越。在电网故障时,如何采取有效控制策略以保证光伏发电系统的不间断稳定运行,满足并网标准,是急需解决的问题。

电网运行时会出现对称及不对称等故障,电网发生故障时由于电压的跌落会导致光伏逆变器峰值电流较大[6],同时在不对称故障中,光伏逆变器的并网运行还会出现输出功率波动,输出电流畸变等问题[7],这些问题严重影响光伏发电系统的稳定性和可靠性。

目前,国内外已有学者对故障条件下光伏逆变器的峰值电流进行研究。文献[8]对对称及不对称控制策略进行研究,然而所提出的控制策略降低了输出有功功率;文献[9]建立了光伏逆变器在不同故障条件下的仿真模型,但主要仅对谐波进行分析;文献[6]对对称及不对称故障情况下光伏逆变器的动态特性进行了分析,但并没有对故障条件下逆变器的控制策略进行研究;文献[10]提出了一种考虑输出电流峰值、功率波动以及谐波畸变率的协调控制策略,但在减小输出电流峰值的同时并网电流波形畸变较严重;文献[11,12,13]分别提出了加入调节参数的光伏逆变器控制策略,这些控制策略虽然能够保证在故障情况下的并网运行,但是输出有功功率均会减小;文献[14]提出不对称故障条件下变流器有功无功波动灵活调节算法,该方法没有谐波问题,但是却增大了无功波动。

本文对电网故障条件下并网光伏逆变器的控制策略进行研究,提出考虑功率波动及电流峰值的并网光伏逆变器控制策略,在限制逆变器输出电流的前提下拓展并网光伏逆变器的输出有功功率,保证故障情况下光伏逆变器的有效并网运行。在PSCAD/EMTDC中搭建仿真模型,验证所提出控制策略的正确性。

1 光伏逆变器拓扑及数学模型

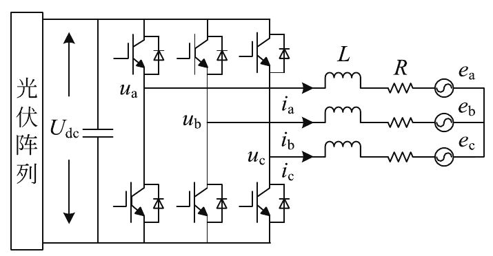
图1所示是光伏逆变器的拓扑结构,采用三相三线制,不存在零序电流,直流电压可控。图中Udc为逆变器直流侧电压,RL为输出电阻及电感,光伏阵列通过逆变器与交流理想电源连接,输出电流接近正弦。

图1
光伏逆变器拓扑
Fig.1
Topology of photovoltaic inverter

光伏逆变器数学模型可以表示为(以a相为例):

ua=Ria+Ldiadt+ea

式中:RL为光伏逆变器的电阻和电抗;ea为网侧电压;ua为逆变器侧电压。

由此可以得到dq旋转坐标系下的数学模型为

{ ud+=(R+sL)id+ωLiq++ed+uq+=(R+sL)iq++ωLid++eq+ud=(R+sL)id+ωLiq+eduq=(R+sL)iqωLid+eq

式中:ud+uq+uduq分别为逆变器输出电压dq轴正负序分量;ed+eq+edeq分别为电网电压正负序分量;id+iq+idiq分别为逆变器输出电流dq轴正负序分量。

2 电网故障条件下并网光伏逆变器控制策略
2.1 对称故障时控制策略

当电网发生对称故障时,电网相电压有效值跌落,由于发生对称故障,因此三相跌落幅度相同,故障后电压幅度及相位跳变相同[6]

若故障时相电压跌落至Ufault,相位跳变角度为φ,则故障时三相电压可以表示为

{ ea=2Ufaultcos(ωt+φ)eb=2Ufaultcos(ωt2π/3+φ)ec=2Ufaultcos(ωt+2π/3+φ)

进一步变换到dq坐标系下可以得到

{ ed=2Ufaulteq=0

根据瞬时功率理论,可以得到逆变器此时输出有功功率为

P=1.5edid

式(5)可以看出,在对称故障条件下,相电压跌落,若逆变器输出功率不变,输出电流将会升高,甚至可能出现远大于电网平衡时参考电流的现象,导致逆变器由于电流过大而出现故障甚至烧毁,逆变器过流保护动作等事故发生[15,16],造成光伏发电系统的低电压穿越失败。在这种情况下,需要考虑采取限制功率输出的控制策略以保证并网光伏逆变器输出电流在允许最大电流范围内。

目前《光伏发电站接入电力系统技术规定》等标准中虽然要求光伏电站在电网故障时保持一定时间不脱网,同时能够向电网提供一定的无功支撑,其中通过35 kV及以上电压等级接入电网的光伏发电站应具有一定的低电压穿越能力,对于通过220 kV及以上电压等级的大型光伏电站,则应以无功功率稳定为控制目标,以便在电压跌落时向主网提供动态无功支撑能力[11]。本文主要研究接入配电网的分布式光伏发电系统,考虑到并网标准中对分布式光伏发电系统及小型光伏电站在电网电压跌落时的无功支撑能力没有要求,同时考虑到分布式和小型光伏电站不需要具备无功功率和电压调节能力,因此在运行过程中不考虑无功功率的输出。

在电网发生对称故障时,通过改变d轴电流指令实现对输出有功功率的变化,此时不考虑采用最大功率点跟踪控制(maximum power point tracking, MPPT),采用故障时直接功率控制策略,逆变器输出最大有功功率可以得到

Pmax=1.5edimax

式中:imax为逆变器允许最大电流;Pmax为对称故障时逆变器输出有功功率最大值。

2.2 不对称故障时控制策略

电网发生不对称故障时,电网电压可以表示为

[ uaubuc ]=[ U+sin(ωt+δ+)+Usin(ωt+δ)U+sin(ωt+δ+120°)+Usin(ωt+δ+120°)U+sin(ωt+δ++120°)+Usin(ωt+δ120°) ]

式中:UU分别为正、负序电压的幅值;δδ分别为正、负序电压的相位。

式(7)进行dq变换后,可以得到dq旋转坐标系下的电压[ud+uq+uduq],同样也可以得到dq旋转坐标系下的电流[id+iq+idiq]。根据瞬时功率理论,通过计算各个电压和电流的内积和叉乘可以得到瞬时有功功率和无功功率,即

S=P+jQ=1.5ui*=1.5(udq+ejωt+udqejωt)(idq+ejωt+idqejωt)*

式中:ui分别是逆变器的输出电压和电流;udq+udq分别是逆变器输出电压在dq轴上的正序分量和负序分量;idq+idq分别是逆变器输出电流在dq轴上的正序分量和负序分量。

可以求得此时的光伏逆变器输出瞬时有功功率和无功功率为

{ P=P0+Pc2cos(2ωt)+Ps2sin(2ωt)Q=Q0+Qc2cos(2ωt)+Qs2sin(2ωt)

式中:P0Q0分别为PQ的平均值;Pc2Ps2 分别为P的2倍频波动分量幅值;Qc2Qs2分别为Q的2倍频波动分量幅值。

dq旋转坐标系下,可以得到式(9)各项表达式为

{ P0=1.5(ud+id++uq+iq++udid+uqiq)Pc2=1.5(udid++uqiq++ud+id+uq+iq)Ps2=1.5(uqid+udiq+uq+id+ud+iq)Q0=1.5(uq+id+ud+iq++uqidudiq)Qc2=1.5(uqid+udiq++uq+idud+iq)Qs2=1.5(udid+uqiq++ud+id+uq+iq)

在不对称电网电压条件下,通过对网侧正、负序电流的控制可以实现不同的控制目标。常用的控制目标[17,18,19]有:1)输出对称的三相电流(目标Ⅰ),即输出电流不含负序分量,此时光伏逆变器可以输出三相对称电流,但输出有功、无功含有很大的波动;2)输出恒定的无功功率(目标Ⅱ),消除输出无功功率的2倍频脉动,此时光伏逆变器输出无功功率无波动,但输出有功功率有很大的波动,输出电流含有负序分量;3)输出恒定的有功功率(目标Ⅲ),消除输出有功功率的2倍频脉动,此时光伏逆变器输出有功功率无波动,但输出无功功率有很大的波动,输出电流含有负序分量。

对于目标Ⅰ,不含有负序分量,令id=iq=0,此时可以得到

{ id+=23P0ud++Q0uq+(ud+)2+(uq+)2iq+=23P0uq+Q0ud+(ud+)2+(uq+)2id=0iq=0

对于目标Ⅱ,输出恒定的有功功率,设定P0Q0为给定值,Qc2Qs2=0,忽略Pc2Ps2,可以得到

{ id+=23(P0ud+/D1+Q0uq+/D2)iq+=23(P0uq+/D1Q0ud+/D2)id=23(P0ud/D1+Q0uq/D2)iq=23(P0uq/D1Q0ud/D2)

式中{ D1=(ud+)2+(uq+)2(ud)2(uq)2D2=(ud+)2+(uq+)2+(ud)2+(uq)2

对于目标Ⅲ,输出恒定的无功功率,可以得到

{ id+=23(P0ud+/D2+Q0uq+/D1)iq+=23(P0uq+/D2Q0ud+/D1)id=23(P0ud/D2Q0uq/D1)iq=23(P0uq/D2+Q0ud/D1)

dq旋转坐标系中,考虑到

[ ud+uq+ ]=23[ cosθ+cos(θ+23π)cos(θ++23π)sinθ+sin(θ+23π)sin(θ++23π) ][ ua+ub+uc+ ]

其中

[ ua+ub+uc+ ]=[ U+cosθ+U+cos(θ+23π)U+cos(θ++23π) ]

dq轴正负序分量可以简化为

[ ud+uq+uduq ]=[ U+0U0 ]

由以上条件可以化简得到目标Ⅰ控制策略的参考电流表达式为

{ id+=23P0ud+iq+=0id=0iq=0

同样,可以得到在目标Ⅱ时的参考电流表达式

{ id+=23P0ud+(ud+)2(ud)2iq+=0id=23P0ud(ud+)2(ud)2iq=0

目标Ⅲ时的参考电流表达式

{ id+=23P0ud+(ud+)2+(ud)2iq+=0id=23P0ud(ud+)2+(ud)2iq=0

式(17),式(18),式(19)可以得到3种控制策略条件下的输出电流峰值为

{ II=23P0ud+III=|id+|+|id|=23 [ P0ud+(1ε2)+ εP0ud+(1ε2) ]=23P0ud+(1ε)IIII=|id+|+|id|=23 [ P0ud+(1+ε2)+ εP0ud+(1+ε2) ]=23(1+ε)P0ud+(1+ε2)

式中ε为电压不平衡度,εU/U

在不对称故障时采用目标Ⅰ控制策略进行光伏逆变器的控制过程中,可以得到有功和无功功率的波动为

{ ΔpI=εP0ΔqI=εP0

即功率波动和电压不平衡度以及输出有功功率值有关。

采用目标Ⅱ控制策略进行控制时,其有功功率波动为0,无功功率波动为

ΔqII=2εP01ε2

同理可以得出,采用目标Ⅲ控制策略进行控制时,其无功功率波动为0,有功功率波动为

ΔpIII=2εP01ε2

若对几种控制策略的电流峰值和功率波动值进行对比,可以发现在同一输出功率条件下目标Ⅱ的峰值电流最高,目标Ⅰ的峰值电流最低,目标Ⅲ的峰值电流介于二者之间。考虑到有功功率波动对光伏系统的直流侧电压、MPPT和系统的转换效率及整个系统的稳定性的影响,输出功率的二倍频波动应该加以消除,光伏逆变器采用目标Ⅱ进行控制[11]。若在不对称故障时采用目标Ⅱ进行功率输出时,其有功功率无波动,但电流峰值较大,若电流峰值大于逆变器允许最大电流,那么目标Ⅱ输出的有功功率必须减小,直至电流峰值小于或等于逆变器允许最大峰值电流,并且无功功率波动较高,这是采用目标Ⅱ的缺陷。同样,若采用目标Ⅲ进行功率输出时,其输出无功功率无波动,但是输出有功功率波动较大,其输出功率降低,输出电流峰值同样较大。

在不对称故障时采用目标Ⅰ进行功率输出时,此时可以输出的有功功率比目标Ⅱ的有功功率高,但是此时有功和无功功率均会出现波动,有功功率出现波动会导致光伏系统的直流侧电压出现波动,影响逆变器稳定性等问题,这是采用目标Ⅰ的缺陷。

设定光伏逆变器允许最大电流为Imax,那么可以得到采用3种控制策略在不对称故障发生时逆变器输出的最大有功功率为

{ PI max=1.5ud+ImaxPII max=1.5ud+(1ε)ImaxPIII max=1.51+ε21+εud+Imax

可以看出这几种控制策略输出的有功功率中,目标Ⅰ能够输出的功率最高,其次是目标Ⅲ,目标Ⅱ的输出功率最低。

因此,若逆变器一开始采用目标Ⅱ运行时,在保证逆变器输出电流不越限的条件下,所能够得到的最大输出功率为PⅡmax,因此输出功率在P以下即可采用目标Ⅱ控制策略,若逆变器需要输出更大的有功功率,那么将会超过逆变器的允许最大电流,导致光伏逆变器停止运行。

若将其中2种控制策略结合起来,那么既可以增大输出有功功率,同时也会减小输出功率波动,同时能够使得输出有功功率自由调节,拓展光伏逆变器在故障条件下的有功输出。基于此,本文提出2种灵活有功调节策略,分别将目标Ⅰ与目标Ⅱ控制策略相结合,得出灵活有功协调控制策略,目标Ⅰ与目标Ⅲ控制策略相结合,得出灵活无功协调控制策略。以灵活有功协调控制策略为例,在保持输出电流峰值小于逆变器允许最大电流Imax的条件下,使输出有功功率能够在目标Ⅰ、目标Ⅱ最大输出功率PⅠmaxPⅡmax之间自由调节,拓展输出有功功率。

将目标Ⅰ和目标Ⅱ相结合,考虑有功功率Pref在2种控制策略之间的分配,同时考虑输出电流峰值,由此可以得到

{ PI+PII=PrefPIud++PIIud+(1ε)=Imax

式中:Pref为逆变器输出参考功率;Imax为逆变器允许最大电流。

经过计算后可以得到目标Ⅰ和目标Ⅱ需要控制的功率为

{ PI=PrefεImaxud+(1ε)εPII=(ε1)Prefε+Imaxud+(1ε)ε

此时有功功率Pref能够在PⅠmaxPⅡmax之间自由调节,可以得到输出有功功率在2种控制策略中的分配情况,既能够保证电流为逆变器允许最大电流不越限,同时还能够增大有功功率,减小功率波动。在输出功率从PⅡmaxPⅠmax增长的过程中,P分配的功率逐渐减小,P分配的功率逐渐增大。

逆变器有功功率波动为

ΔPref=εPI=PrefImaxud+(1ε)

逆变器无功功率波动为

ΔQref=εPI+2εPII1ε2

可以看出无功功率波动是2种控制策略无功波动的叠加,而由于目标Ⅱ没有有功波动,因此逆变器的有功功率波动为目标Ⅰ的功率波动。

式(27)类似,经过同样的推导,可以得到目标Ⅰ与目标Ⅲ之间的功率分配,目标Ⅰ与目标Ⅲ之间的功率分配为

{ PI=(1+ε)Prefε(1ε)Imaxud+(1+ε2)ε(1ε)PIII=(ε2+1)Prefε(1ε)+Imaxud+(ε2+1)ε(1ε)

在允许最大电流Imax条件下,目标Ⅱ消除有功功率波动能够输出的有功功率PⅡmax最小,目标Ⅲ输出功率PⅢmax其次,目标Ⅰ输出功率PⅠmax最大。因此灵活有功协调控制策略输出功率能够从PⅡmaxPⅠmax之间自由调节,输出有功功率从0增大至εP,输出无功功率减小至εP。灵活无功协调控制策略能够使输出功率从PⅢmaxPⅠmax之间自由调节,同时保证输出电流不越限。

不同的控制策略相结合能够得出不同的有功和无功功率波动,以及不同输出有功功率的调节范围,以上2种控制策略均能够保证峰值电流在允许最大电流范围内。在实际电网中,可以根据实际情况和电网具体要求来选择不同的协调控制策略。如电网中若更需要拓展有功功率输出及考虑输出有功波动较小,则可以选择灵活有功协调控制策略,同时能够有较高的功率调节范围,由于与目标Ⅲ结合的输出无功功率波动较小,因此若电网更注重考虑有功输出以及无功功率波动,那么可以选择灵活无功协调控制策略。

3 仿真分析
3.1 光伏发电系统仿真模型建立

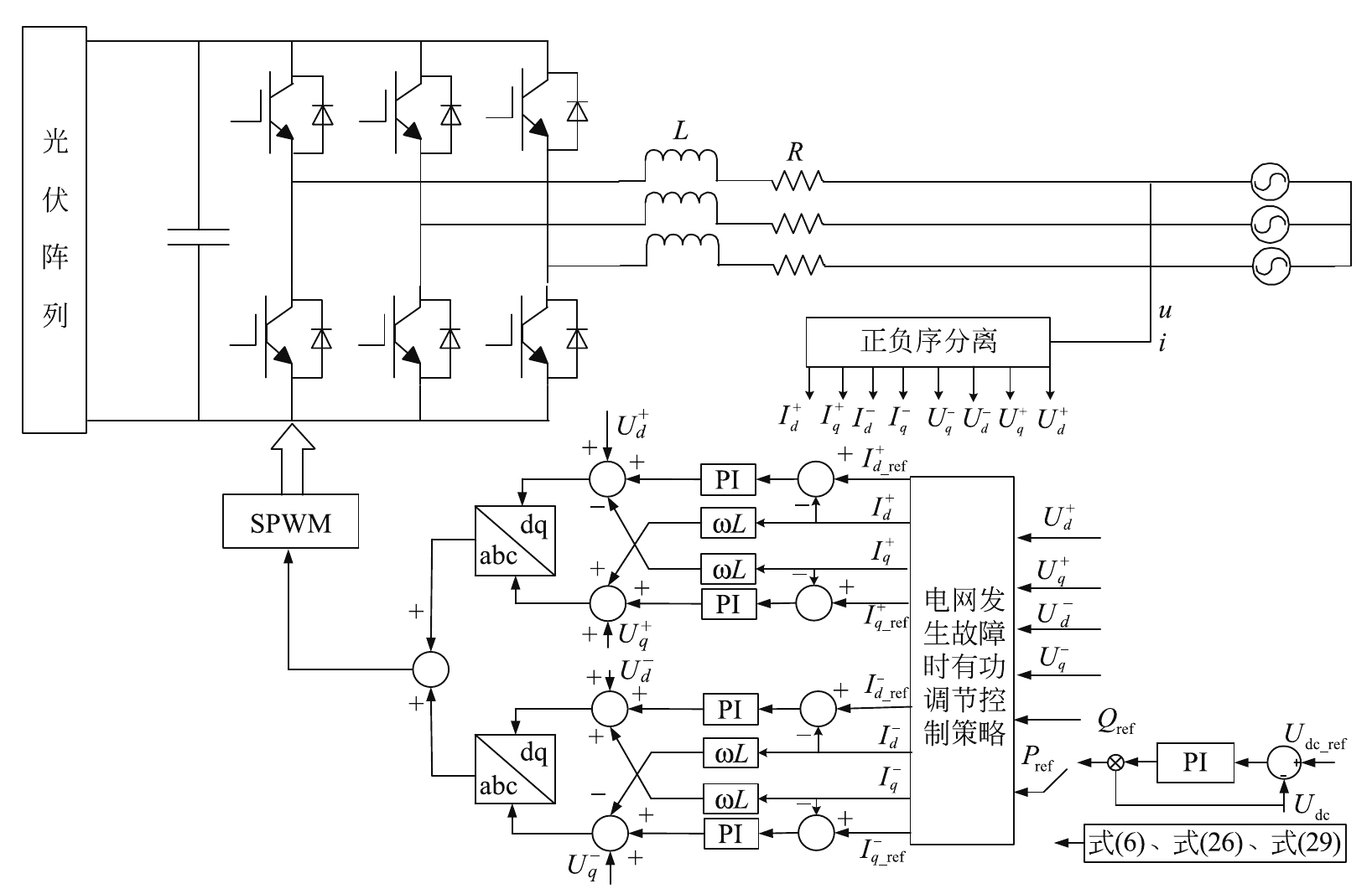
为验证所提出控制策略的正确性,在PSCAD/EMTDC中搭建了仿真模型。光伏逆变器采用三相三桥臂结构,从网侧提取出正负序电压分量,在经过计算后得出参考电流。图2显示的是光伏发电系统控制框图。

图2
光伏发电系统控制框图
Fig.2
Control diagram of PV system

图中:uabciabc分别为网侧三相电压和电流,经过正负序分离后得到dq轴电压和电流正负序分量;UdcUdc_ref分别为光伏逆变器直流侧电容电压实际值和参考值;PrefQref为逆变器有功和无功功率参考值,在稳态条件下光伏逆变器UdcUdc_ref的差值经过PI环节后再经过计算得出参考电流,在故障发生时逆变器采用本文所述的协调控制策略,采用正负序双闭环控制。对于需要输出的有功功率参考值,采用式(6)、式(26)及式(29)进行计算后,能够得出参考电流,再经过正负序PI控制以及调制后得出开关信号。

3.2 仿真分析

在PSCAD/EMTDC中建立图1所示的光伏发电系统仿真模型,其控制策略如图2所示,表1所示的是光伏发电系统仿真参数。

表1
光伏发电系统参数
Table 1
Parameters of PV system

3.2.1 对称故障

稳态情况下光伏发电系统按照单位功率因数运行,MPPT采用扰动观察法。在t=2 s时电网发生三相短路故障,电压跌落为0.6 pu,此时有功功率设为额定功率0.5 MW,无功功率为0,光伏发电系统输出三相对称电流,功率和电流波形如图3所示。设定光伏逆变器允许最大电流Imax为1.2倍额定电流,2.4 s时采用对称故障控制策略。

图3
对称故障条件下光伏发电系统波形
Fig.3
Waveforms of PV system under symmetrical fault

图3可看出:(1)当电网发生对称故障时,若采用额定功率输出,逆变器输出电流约为额定电流的1.65倍,理论计算得出逆变器输出电流为1.67倍额定电流,远远超出逆变器允许最大电流;(2)2.4 s时采用对称故障控制策略,采用式(6)能够得出,若此时光伏逆变器输出电流保持在1.2倍额定电流以内,由于电压降为0.6 pu,光伏逆变器能够输出的最大有功功率为3.6 MW;(3)逆变器能够迅速响应指令,光伏发电系统在故障期间实现了低电压穿越。

3.2.2 不对称故障

t=2 s时电网发生不对称故障,电压不平衡度ε=0.3,0.2 s后采用协调控制策略,图4显示的是逆变器并网电流及输出有功无功功率波形图。

图4
不对称故障条件下采用协调控制策略光伏发电系统波形
Fig.4
Waveforms of PV system using coordinate control strategies under unsymmetrical fault

图4(a)可看出:在不对称故障发生时,电压不平衡度ε=0.3,此时正序电压为0.887 pu,逆变器采用目标Ⅱ控制策略运行,此时输出峰值电流约为额定电流的1.6倍,根据式(20)可以得出额定功率下逆变器输出电流约为1.61倍额定电流,远远超出逆变器允许最大电流Imax;0.2 s后为保证逆变器输出电流为1.2倍额定电流,逆变器功率下降为0.373 MW,此时输出有功功率减小。

为拓展逆变器输出有功功率,采用灵活有功协调控制策略,其输出功率能够在PⅠmaxPⅡmax之间自由调节,图4(a)中输出功率波形中给出了输出有功功率和输出有功功率平均值以及输出无功功率波形,有功功率平均值不包含波动分量,为上升直线。从图中可以看出输出有功功率从PⅡmax=0.373 MW到PI功率0.5 MW逐渐增大的过程,同时随着输出功率的增长,逆变器输出有功功率波动逐渐上升,无功功率波动从最大逐渐减小,2.7 s时达到PI功率0.5 MW时输出有功和无功功率波动不变,此时为目标Ⅰ控制策略。可以看出输出功率在0.45 MW时可得到较小的有功和无功功率波动。在输出功率增长的过程中,输出电流一直保持在1.2倍额定电流,即Imax,保证逆变器输出电流不越限,实现了故障穿越。

图4(b)中,逆变器采用目标Ⅲ控制策略运行,从图中可以看出此时输出峰值电流约为额定电流的1.3倍,根据式(20)可以得出额定功率下逆变器输出电流约为1.28倍额定电流,超出逆变器允许最大电流Imax。0.2 s后为保证逆变器输出电流为1.2倍额定电流,根据式(24)得出逆变器功率下降为0.45 MW。采用灵活无功协调控制策略时,其输出功率能够在PⅠmaxPⅢmax之间自由调节,图4(b)中输出功率波形中给出了输出有功功率和输出有功功率平均值以及输出无功功率波形,有功功率平均值不包含波动分量。与图4(a)类似,输出有功功率从P极限功率0.45 MW到P功率0.5 MW逐渐增大,同时随着输出功率的增长,逆变器输出有功功率波动逐渐下降,无功功率波动从0增大,2.7 s时达到P功率0.5 MW时输出有功和无功功率波动不变,此时为目标Ⅰ控制策略。在输出功率增长的过程中逆变器输出电流不越限。仿真结果和理论计算结果一致。

4 结论

本文分析了光伏发电系统在电网故障条件下的运行特性,针对对称故障,采用限制功率的方法来对输出电流进行限制,针对不对称故障,提出了2种考虑功率波动及输出电流峰值的协调控制策略,该控制策略没有谐波,拓展了逆变器输出有功功率,并对2种协调控制策略进行了对比分析。仿真结果和理论计算结果一致,所提出的控制策略能够保证光伏发电系统的并网要求。

参考文献

[1] 李善颖吴涛任彬. 基于模块化多电平变换器的储能系统综述[J]. 电力系统保护与控制,2015, 43(16): 139-146.
LI Shanying, WU Tao, REN Bin, et al. Review of energy storage system based on modular multilevel converter[J]. Power System Protection and Control, 2015, 43(5): 139-146.
[本文引用:1]
[2] 孔祥平袁宇波黄浩声. 光伏电源故障电流的暂态特征及其影响因素[J]. 电网技术,2015, 39(9): 2444-2449.
KONG Xiangping, YUAN Yubo, HUANG Haosheng, et al. Fault current transient features and its related impact factors of PV generators[J]. Power System Technology, 2015, 39(9): 2444-2449.
[本文引用:1]
[3] 史海旭孙凯肖曦. 面向中压直流配电网的光伏发电接入技术综述与分析[J]. 分布式能源,2016, 1(3): 1-9.
SHI Haixu, SUN Kai, XIAO Xi, et al. An overview and analysis of photovoltaic power integration technology for medium voltage DC distribution network[J]. Distributed Energy, 2016, 1(3): 1-9.
[本文引用:1]
[4] 中华人民共和国国家质量监督检验检疫总局中国国家标准化管理委员会. 光伏发电站接入电力系统技术规定:GB/T 19964—2012[S]. 北京中国标准出版社2012.
[本文引用:1]
[5] 国家电网公司. 光伏电站接入电网技术规定:Q/GDW 617—2011[S]. 北京中国电力出版社2011.
[本文引用:1]
[6] 裴庆磊王立果刘丽莉. 不同电网故障时并网型光伏逆变器的动态特性分析[J]. 现代电力,2013, 30(2): 57-63.
PEI Qinglei, WANG Liguo, LIU Lili, et al. Analysis on dynamic characteristics of grid-connected PV inverter under power grid fault[J]. Modern Electric Power, 2013, 30(2): 57-63.
[本文引用:3]
[7] 黄浩徐永海杨琳. 不对称电压条件下光伏逆变器的控制策略[J]. 电网技术,2014, 38(5): 1277-1282.
HUANG Hao, XU Yonghai, YANG Lin, et al. A control strategy of photovoltaic inverter under unbalanced grid voltage[J]. Power System Technology, 2014, 38(5): 1277-1282.
[本文引用:1]
[8] 韩贤岁刘其辉. 对称和不对称故障下的并网光伏逆变器低电压穿越研究[J]. 电测与仪表,2015, 52(9): 113-118.
HAN Xiansui, LIU Qihui. Low voltage ride through under balance fault and unbalance fault for grid-connected PV inverter[J]. Electrical Measurement and Instrumentation, 2015, 52(9): 113-118.
[本文引用:1]
[9] 余运俊张燕飞万晓凤. 三相光伏逆变器并网时故障状态仿真分析[J]. 计算机仿真,2014, 31(9): 146-155.
YU Yunjun, ZHANG Yanfei, WAN Xiaofeng, et al. Three-phase photovoltaic inverter simulation analysis in micro-grid fault condition[J]. Computer Simulation, 2014, 31(9): 146-155.
[本文引用:1]
[10] MIRET J, CASTILLA M, CAMACHO A, et al. Control scheme for photovoltaic three-phase inverters to minimize peak currents during unbalanced grid-voltage sags[J]. IEEE Transactions on Power Electronics, 2012, 27(10): 4262-4271.
[本文引用:1]
[11] 谭骞徐永海黄浩. 不对称电压暂降情况下光伏逆变器输出电流峰值的控制策略[J]. 电网技术,2015, 39(3): 601-608.
TAN Qian, XU Yonghai, HUANG Hao, et al. A control strategy for peak output current of PV inverter under unbalanced voltage sags[J]. Power System Technology, 2015, 39(3): 601-608.
[本文引用:3]
[12] 刘素梅毕天姝王晓阳. 具有不对称故障穿越能力逆变型新能源电源故障电流特性[J]. 电力系统自动化,2016, 40(3): 66-73.
LIU Sumei, BI Tianshu, WANG Xiaoyang, et al. Fault current characteristics of inverter interfaced renewable energy generators with asymmetrical fault ride-through capacibility[J]. Automation of Electric Power Systems, 2016, 40(3): 66-73.
[本文引用:1]
[13] 郭小强刘文钊王宝诚. 光伏并网逆变器不平衡故障穿越限流控制策略[J]. 中国电机工程学报,2015, 35(20): 5155-5162.
GUO Xiaoqiang, LIU Wenzhao, WANG Baocheng, et al. Fault ride through control of PV grid-connected inverter with current-limited capability under unbalanced grid voltage conditions[J]. Proceedings of the CSEE, 2015, 35(20): 5155-5162.
[本文引用:1]
[14] 周念成楼晓轩王强钢. 电网电压不平衡下三相光伏发电系统的谐波电流抑制[J]. 电工技术学报. 2015, 30(16): 246-254.
ZHOU Niancheng, LOU Xiaoxuan, WANG Qianggang, et al. Harmonic currents suppression for three-phase photovoltaic power generation system under unbalanced grid voltage conditions[J]. Transaction of China Electrical Society, 2015, 30(16): 246-254.
[本文引用:1]
[15] 张尧晁勤李育强. 基于三相对称的光伏逆变器输出短路电流研究[J]. 电力电子技术. 2015, 49(12): 73-76.
ZHANG Yao, CHAO Qin, LI Yuqiang, et al. Research on the output short-circuit current of photovoltaic inverter based on three phase current symmetrical[J]. Power Electronics, 2015, 49(12): 73-76.
[本文引用:1]
[16] REMUS T, MARCO L, PEDRO R. Grid converters for photovoltaic and wind power system[M]. New York: Wiley & Sons Press, 2011: 237-238.
[本文引用:1]
[17] 郭小强邬伟扬漆汉宏. 电网电压畸变不平衡情况下三相光伏并网逆变器控制策略[J]. 中国电机工程学报,2013, 33(3): 22-28.
GUO Xiaoqiang, WU Weiyang, QI Hanhong. Control strategies of three-phase PV grid-connected inverter under distorted and unbalanced voltage conditions[J]. Proceedings of the CSEE, 2013, 33(3): 22-28.
[本文引用:1]
[18] SONG H S, NAM K. Dual current control scheme for PWM converter under unbalanced input voltage conditions[J]. IEEE Transactions on Industrial Electronics, 1999, 46(5): 953-959.
[本文引用:1]
[19] CHONG H, LI R, BUMBY J. Unbalanced-grid-fault ride-through control for a wind turbine inverter[J]. IEEE Transactions on Industry Applications, 2008, 44(3): 845-856.
[本文引用:1]
资源
PDF下载数    
RichHTML 浏览数    
摘要点击数    

分享
导出

相关文章:
关键词(key words)
光伏逆变器
低电压穿越
协调控制策略
电流峰值
功率波动

photovoltaic inverter
LVRT
coordinated control strat...
peak current
power fluctuation

作者
曹炜
王海华
陆冉

CAO Wei
WANG Haihua
LU Ran