大型能源站水蓄冷/热系统设计及模拟分析
宋宏升

Design and Simulation Analysis of Cold (Heat) Water Storage System in Large Energy Station
Hongsheng SONG
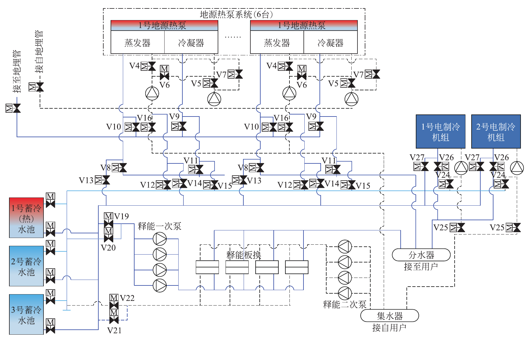
图4 水蓄冷(热)空调系统流程图
Fig.4 Flow chart of chilled water and water heat storage air conditioning system