基于线性化的交直流混合配电网运行优化
福州大学电气工程与自动化学院,福建省 福州市 350108
Operation Optimization of AC/DC Hybrid Distribution Network Based on Linearization
College of Electrical Engineering and Automation, Fuzhou University, Fuzhou 350108, Fujian Province, China
收稿日期: 2022-03-01
Received: 2022-03-01
作者简介 About authors
罗泽宇(1996),男,硕士研究生,研究方向为电力系统优化运行,
江岳文(1977),女,博士,教授,研究方向为风电并网优化运行、电力系统优化运行、电力市场,
关键词:
Keywords:
本文引用格式
.
LUO Zeyu, JIANG Yuewen.
0 引言
交直流混合配电网需要换流设备将交流和直流部分互联,基于电压源换流器(voltage source converter,VSC)的换流技术应用在交直流混合配电网当中有着诸多优点[4,5],因此含VSC的交直流混合配电网优化运行是目前研究的一个热点。文献[6]提出以网损最小、电压偏移量最小、系统静态电压稳定裕度最大及供电能力最大的多目标交直流混合系统优化模型。文献[7]通过自适应修正换流站功率参考值和下垂系数实现无功优化。文献[8]根据节点电压是否越限将配电网运行状态分为正常和风险2种状态,分别建立换流器功率优化模型。文献[9]提出变换器分级功率均分的控制策略,改善电网中各电力电子变换器的长期运行寿命的均衡性。但是以上研究多集中在以发电费用最小或降低网损、改善电压质量为目标,缺少对DG、VSC和储能等设备的联合优化进行分析,因此文献[10,11,12,13]对含DG和储能的交直流混合系统的优化进行了研究。交直流混合系统优化模型为混合整数非线性规划(mixed integer nonlinear programming,MINLP)问题,目前的求解方法主要包括线性规划法[12,13]、二阶锥规划方法[14]、启发式算法[15,16,17]。二阶锥规划虽然存在全局最优、求解速度快的优点,但是大多应用在辐射型配电网,在环网中使用二阶锥松弛条件苛刻,不一定能满足松弛的精确性[18,19],因此不具有通用性;文献[12]提出的线性化方法忽略了线路的损耗,导致其模型误差较大;文献[13,20]的线性化方法基于运行点进行迭代,精确性较高,但是需要获得系统运行过程中的断面数据进行多次迭代,计算过程复杂;启发式算法存在全局最优性难以保证,求解效率低下等问题。
为克服以上存在的问题,本文提出一种基于线性化的含DG、VSC和储能的交直流混合配电网运行优化模型,将MINLP问题转化为混合整数线性规划(mixed integer linear programming, MILP)问题进行高效、快速求解,该模型不仅能够应用在辐射型配电网当中,也能应用在环形等其他拓扑形式的配电网,相比于二阶锥松弛技术更具有适用性,同时计及了输电线路和VSC的损耗,在提高计算速度的同时保证计算精度。
1 交直流混合配电网稳态模型
交直流混合配电网稳态模型包括VSC换流站模型、直流配电网模型和交流配电网模型,交流配电网和直流配电网通过VSC进行互联。本文以2台VSC对交流配电网和直流配电网进行互联的双端交直流混合配电网为例进行研究,其结构如图1所示。
图1
图1
双端交直流混合配电网结构
Fig.1 Structure diagram of the double-ended AC/DC hybrid distribution network
1.1 VSC换流站及控制方式
基于VSC的换流站稳态模型结构如图2所示。
图2
图中C点左侧为换流变压器等效模型,C点右侧为理想换流桥,换流变压器和换流器内部的损耗等效到电阻Rk中。为便于讨论,令Yk=1/
式中:k为接入系统的第k台VSC;Ps,k,t和Qs,k,t分别为交流系统注入换流变压器的有功功率和无功功率;Pc,k,t和Qc,k,t分别为换流变压器流入换流桥的有功功率和无功功率;Us,k,t为换流变压器与交流系统连接处的节点电压幅值;θs,k,t为换流变压器与交流系统连接处的节点电压相位;Uc,k,t为C处的电压幅值;θc,k,t为C处的电压相位;Xk为换流变压器的电抗;Rk为VSC内部损耗和换流变压器损耗的等效电阻;Ud,k,t为VSC直流侧的输出电压大小;Mk,t为VSC的调制度[21]。
同时,VSC注入直流网络的有功功率Pd,k,t为
不同VSC控制方式下交直流混合配电网的运行状态不同,VSC的控制方式一般分为:(1)定直流电压、定交流无功控制;(2)定直流电压、定交流电压控制;(3)定交流有功、定交流无功控制;(4)定交流有功、定交流电压控制;(5)下垂控制。本文采取的VSC控制策略为定交流有功、定交流无功控制,其控制方程为
式中:Pref,k,t和Qref,k,t分别为VSC有功功率、无功功率整定值。在优化模型中,VSC的整定值Pref,k,t、Qref,k,t根据优化结果进行修正,实现对系统潮流的调控。
1.2 交流配电网模型
交流配电网的Distflow潮流模型为:
式中:i、j、k为节点序号;w(i)为以节点i为首端节点的末端节点集合;m(i)为以节点i为末端节点的首端节点集合;
1.3 直流配电网模型
根据交流配电网Distflow潮流模型的建模方法,可推导出直流配电网的潮流模型如下:
式中:
2 交直流混合配电网运行优化模型
2.1 目标函数
在含有分布式电源、储能和VSC的交直流混合配电系统中,可以通过优化本级配电网向上级主网的购电量、储能的充放电策略和换流站的有功和无功功率,实现网损的减小和可再生能源的充分消纳,从而降低交直流系统的综合运行成本。因此本文以向上级主网购电的成本、弃风弃光成本、网损成本和储能日运行维护成本之和最小为目标函数,具体为:
式中:Csub、CDG、Closs、Cesmain分别为向上级主网购电成本、弃风弃光成本、网损成本和储能日运行维护成本;CS、CD、CL、CM分别为上级主网电价、单位弃风弃光成本、单位网损成本和储能单位充放电量的运行维护成本;Psub,t为上级电网向本级配电网输送的功率;
2.2 约束条件
(1)潮流约束。
交直流混合配电网的潮流约束由式(
(2)系统安全运行约束。
式中:Umax和Umin分别为节点电压上下限;
式(
(3)变电站功率约束。
式中:
(4)电源出力约束。
(5)储能运行约束。
式中:
式(
2.3 模型线性化
式(
(1)交流配电网潮流模型线性化。
交流配电网模型的非线性源来自于式(
式中δ∈[-0.05,0.05],为一个足够小的数,故进一步满足如下关系:
于是有
将式(
稳态运行下,电力系统全网的节点电压在基准电压附近,因此对于式(
(2)直流配电网潮流模型线性化。
直流配电网模型的非线性源来自于式(
(3) VSC模型线性化与交直流系统的互联。
式中:p(i)为以交流节点i为首端节点的末端VSC节点集合;q(i)为以交流节点i为末端节点的首端VSC节点集合;r(i)为以直流节点i为首端节点的末端VSC节点集合;s(i)为以直流节点i为末端节点的首端VSC节点集合;
如果VSC支路的方向是从交流系统指向直流系统,即支路方向为i→j,j∈p(i),则VSC电压方程为
如果VSC支路的方向是从直流系统指向交流系统,即支路方向为k→i,k∈q(i),则VSC电压方程为
式中:
在式(
由于用
至此统一了VSC模型与基于Distflow潮流形式的交直流配电网模型。
(4)线路潮流约束线性化
式(
式(
式中:αω、βω、δω为线性化载流量约束系数,其数值可参考文献[12]。
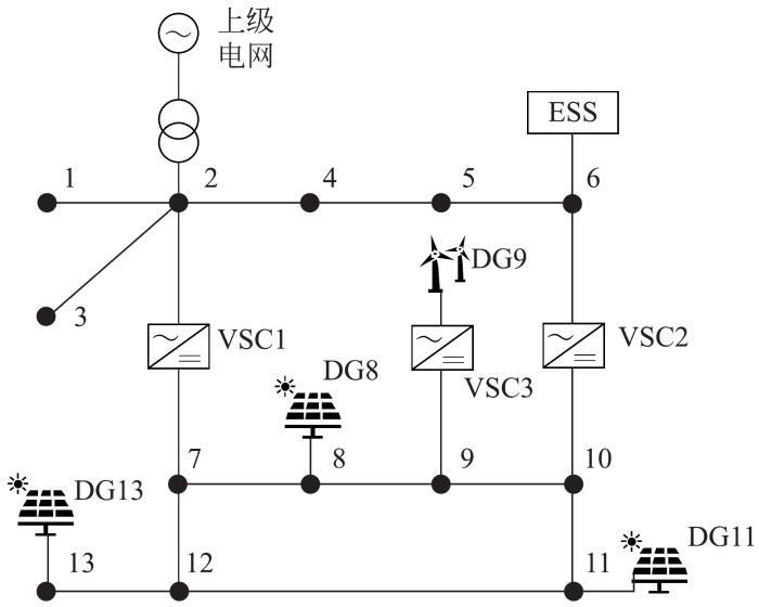
3 算例分析
3.1 算例数据
表1
| 参数 | 数值 |
| 基准容量/(MV·A) | 10 |
| 交流基准电压/kV | 4.16 |
| 直流基准电压/kV | 6.80 |
| Umax/pu | 1.05 |
| Umin/pu | 0.95 |
| 0.3 | |
| 0.3 | |
| 0.5 | |
| CS/[元·(MW·h)-1] | 400 |
| CL/[元·(MW·h)-1] | 400 |
| CM/[元·(MW·h)-1] | 10 |
| Sk,ess/pu | 1.0 |
| 0.25 | |
| η/% | 90 |
| 90 | |
| 10 | |
| 储能初始荷电状态/% | 50 |
表2
| 节点 | DG最大出力 |
| 8 | 2.0 |
| 9 | 2.5 |
| 11 | 2.5 |
| 13 | 2.0 |
图3
图3
改造的13节点交直流混合配电网结构图
Fig.3 Structure diagram of the modified 13-node AC/DC hybrid distribution network
变电站输出功率的最小值和最大值分别为
3.2 优化结果分析
在交直流混合配电网的实际运行当中,换流器不仅可以双向调节传输的有功功率,还可以作为无功补偿装置发出感性或容性的无功的功率,改善电压水平,降低系统网损,促进DG出力的消纳,因此VSC能够和储能互相配合,实现交直流混合配电网运行的优化。
(1)多时段优化运行结果。
图4
图4
负荷、网损、购电功率和DG出力时序值
Fig.4 Load, network loss, purchased power and DG output timing values
图5
图6
(2)储能和VSC无功补偿能力对优化结果的影响。
为分析储能的配置和VSC的无功补偿能力对优化结果的影响,分别设置如下4种优化策略进行对比:无储能无VSC无功补偿、有储能无VSC无功补偿、无储能有VSC无功补偿、有储能有VSC无功补偿,分别对应策略1至策略4,对比结果由表3给出。
表3
| 比较项目 | 向上级主网购电成本 | 弃风弃光成本 | 网损成本 | 储能日运行维护成本 | 总成本 |
| 策略1 | 23 736.92 | 1 738.11 | 2 066.36 | 0 | 27 541.39 |
| 策略2 | 23 213.31 | 1 300.64 | 1 980.22 | 148.71 | 26 642.88 |
| 策略3 | 22 825.76 | 1 584.38 | 1 308.92 | 0 | 25 719.06 |
| 策略4 | 21 621.98 | 0 | 1 689.52 | 64.81 | 23 375.68 |
由表3可以看出,系统在无储能且没有VSC提供无功补偿装置的情况下总成本最高,其次为策略2,然后是策略3,储能和VSC联合优化时系统总成本最低。
由此可以得出,在配电网中储能主要起到降低弃风弃光成本的作用,VSC的无功补偿主要起到降低网损的作用,另一方面,VSC的无功补偿还可以改善因DG出力过高引起的电压越限,实现DG的充分消纳,因此储能和VSC联合优化才能使配电网的弃风弃光成本降到最低。
(3)线性化模型误差分析。
为验证本文所提线性化方法的准确性,将线性化模型的计算结果与内点法计算结果进行对比,结果如表4所示。
表4
| 比较项目 | 内点法 | 线性化方法 | 相对误差/% |
| 向上级主网购电成本/元 | 277.29 | 276.75 | 0.19 |
| 弃风弃光成本/元 | 0.00 | 0.00 | 0.00 |
| 网损成本/元 | 121.29 | 120.75 | 0.45 |
| 总成本/元 | 398.58 | 397.50 | 0.27 |
图7
表5
| 比较项目 | 内点法 | 线性化方法 |
| 计算时间/s | 563.156 | 10.050 |
4 结论
对于含有DG、VSC和储能的交直流混合配电网,本文以配电网购电成本、弃风弃光成本、网损成本和储能日运行维护成本之和构成的系统综合运行成本最小为目标构建其优化模型,优化配电网购电量、VSC功率和储能充放电策略以实现配电网的经济运行。提出了一种线性化方法对优化模型进行转化,将MINLP问题转化为MILP问题进行求解,该方法不仅能够得到全局最优解,而且考虑了网损,具有较高的精度,同时没有网架拓扑形式的限制,适用于更多场合下的电力系统优化。
参考文献
A planning approach for the network configuration of AC-DC hybrid distribution systems
[J].
多端柔性交直流混合配电网建模及仿真分析
[J].
Modeling and simulation analysis of multi-terminal flexible AC/DC hybrid distribution network
[J].
含高比例可再生能源的交直流混联电网规划技术研究综述
[J].
Review on planning technology of AC/DC hybrid system with high proportion of renewable energy
[J].
基于二阶段鲁棒优化模型的混合交直流配电网无功电压控制策略研究
[J].
Research on reactive power voltage control strategy for hybrid AC/DC distribution network based on two-stage robust optimization model
[J].
含VSC的交直流混联系统最优潮流及其损耗分析
[D].
Optimal power flow and loss analysis of AC/DC hybrid system with VSC
[D].
含VSC-HVDC的交直流系统多目标最优潮流
[J].
Multi-objective power flow optimization of AC-DC systems considering VSC-HVDC integration
[J].
含柔性直流电网的交直流混联系统潮流优化控制
[J].
Optimal control for power flow of AC/DC hybrid system with flexible DC grid
[J].
基于VSC的交直流混合中压配电网功率-电压协调控制
[J].
Power-voltage coordinated control in hybrid AC/DC medium voltage distribution networks based on VSC
[J].
考虑变换器功率约束和直流电压约束的交直流混合配电网最优潮流计算
[J].
Optimal power flow calculation for AC/DC hybrid distribution network considering converter power constraints and DC voltage constraints
[J].
基于二阶锥规划和NNC法的交直流混合配电网双层规划模型及其求解方法
[J/OL].
A bi-level planning model and its solution method of AC/DC hybrid distribution network based on second-order cone programming and NNC method
[J/OL].
基于二阶锥规划的交直流主动配电网日前调度模型
[J].
Day-ahead scheduling model for AC/DC active distribution network based on second-order cone programming
[J].
考虑安全约束的交直流配电网储能与换流站协调经济调度
[J].
Security-constrained coordinated economic dispatch of energy storage systems and converter stations for AC-DC distribution networks
[J].
计及VSC运行约束的交直流混合配电网分布式优化调度方法
[J].
Distributed optimal scheduling of hybrid AC-DC distribution grid considering VSC operation constraints
[J].
基于混合整数二阶锥规划的主动配电网有功-无功协调多时段优化运行
[J].
A mixed integer second-order cone programming based active and reactive power coordinated multi-period optimization for active distribution network
[J].
含分布式能源的交直流混合配电网规划
[D].
Planning of AC/DC hybrid distribution network with distributed energy resources
[D].
考虑储能系统调度的交直流混合微电网中互联变流器容量配置
[J].
Capacity configuration of inter-linking converters in AC/DC hybrid micro-grid considering energy storage scheduling
[J].
配电网分布式风电与电池储能的协调优化配置
[J].
Coordinated optimal allocation of distributed wind generator and battery energy storage in distribution network
[J].
Convex relaxation of optimal power flow—Part I: formulations and equivalence
[J].
Convex Relaxation of optimal power flow—Part II: exactness
[J].
基于改进型直流潮流算法的主动配电网分布式电源规划模型及其线性化方法
[J].
Distributed generation planning model of active distribution network and linearization method based on improved DC power flow algorithm
[J].
含VSC-HVDC的交直流系统内点法最优潮流计算
[J].
Interior-point optimal power flow of AC-DC system with VSC-HVDC
[J].
Network-constrained multiperiod auction for a pool-based electricity market
[J].
/
| 〈 |
|
〉 |
清华大学出版社期刊中心





