基于变论域模糊控制的VSG自适应控制策略
朱晓龙,刘毅力,刘圣荇

VSG Adaptive Control Strategy Based on Variable Universe Fuzzy Control
ZHU Xiaolong,LIU Yili,LIU Shengxing
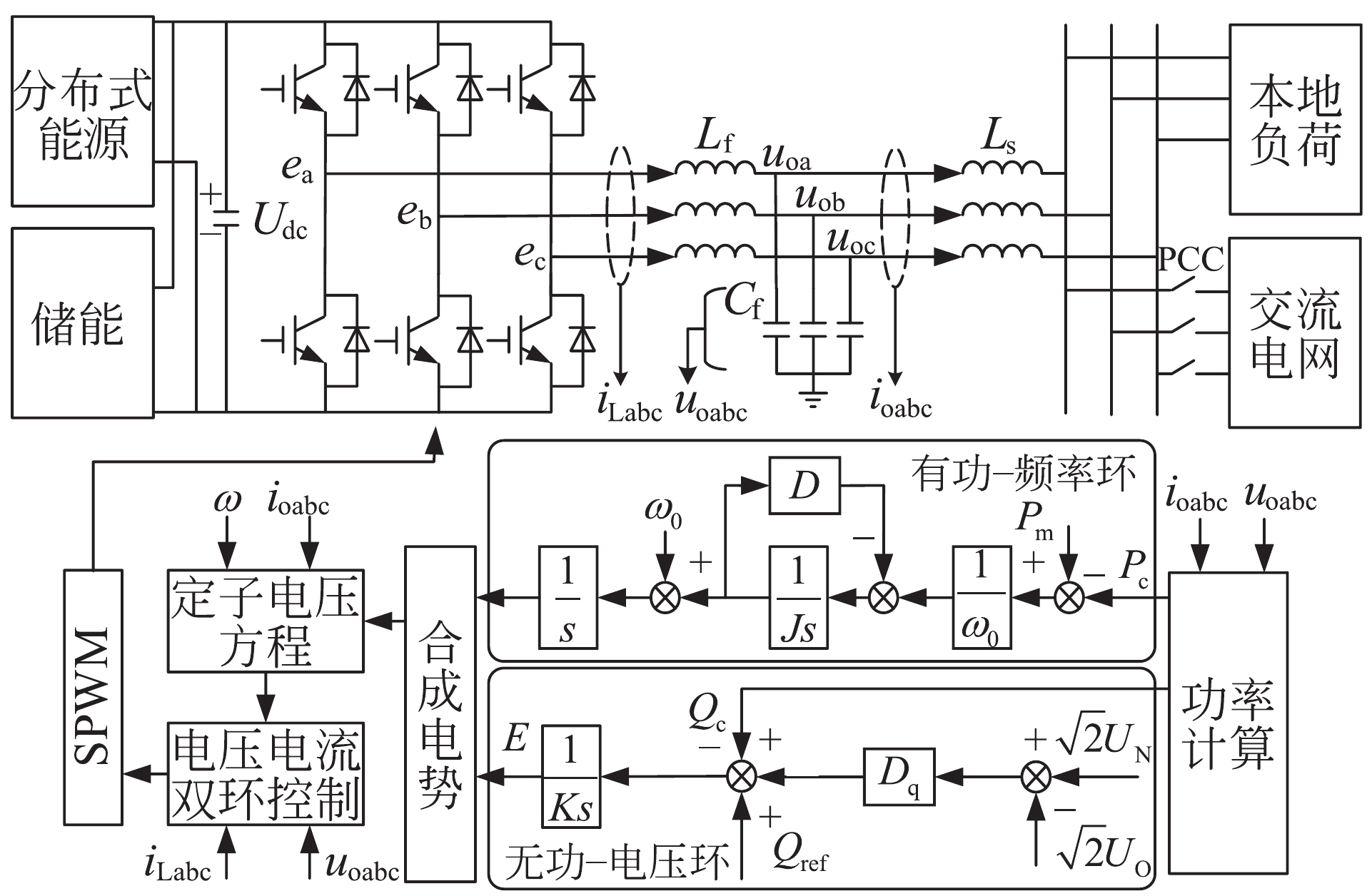
图1 VSG主电路拓扑图
Fig.1 Topology diagram of VSG main circuit