锂离子电池建模技术研究
Research on Modeling Technology of Lithium Battery
收稿日期: 2021-05-12
| 基金资助: |
|
Received: 2021-05-12
| Fund supported: |
|
作者简介 About authors
杨 玺(1987),男,博士,高级工程师,主要从事能源科技方面的研究工作; 。
刘士诚(1973),男,本科,教授级高级工程师,主要从事新能源技术方面的研究工作; 。
周炜钦(1993),男,本科,研究员,主要从事电化学储能产业政策方面的研究工作; 。
黄启祥(1987),男,硕士,主要从事能源科技方面的研究工作 。
祖雯昕(1998),女,硕士,研究方向为电池建模技术; 。
屈树慷(1996),男,硕士,研究方向为储能系统建模技术,qskang0211@163.com; 。
李建林(1976),男,博士,教授,研究方向为大规模储能技术 。
关键词:
Keywords:
本文引用格式
杨玺, 刘士诚, 周炜钦, 黄启祥, 祖雯昕, 屈树慷, 李建林.
YANG Xi, LIU Shicheng, ZHOU Weiqin, HUANG Qixiang, ZU Wenxin, QU Shukang, LI Jianlin.
0 引言
为了快速推进我国储能产业发展,国家分别出台多项政策和机制促进储能技术形成其大规模产业模式,并且实施了多种对于不同技术手段和实际应用情况的试验项目,发展了具有关键技术的核心装备,将技术规范化、标准化,具有国际竞争力的市场主体逐步增加。中国的储能系统发展日新月异,也逐步迈向新的阶段。
电化学储能即通过可逆化学反应存储或释放电能,从而达到平滑功率波动、削峰填谷等目标的储能技术。大规模电化学储能系统通过并网,能够实现对调频信号做出快速反应,降低峰谷之间的负荷差,降低电网过载情况,从而保证电网运行的可靠性和经济性。电化学储能系统可以有效促进可再生能源的消耗,综合应用不同的电化学储能技术进行配电运行,可以充分满足不同储能技术的互补性并最大化能源系统的经济效益。
在电力系统仿真领域,国内外储能在电力系统仿真软件中的模型比较简单,一般只采用直流电源替代储能。德国DIgSILENT公司所设计仿真软件适用于电力系统绝大多数应用场景,且分析功能全面准确,但主要针对大型集成化电力系统仿真软件;另外在计算采用数据方面,相对于DIgSILENT的参数表达方式采用有名值,PSASP仿真软件的参数表达可以是标幺值,只有注意到相同参数在不同软件的具体表达与正确输入,才能保证数据转换的准确有效。因此,建立储能系统的精确等效模型,研究储能与电力系统暂态稳定的过程之间的相互作用,可以有效提高储能系统在新能源领域的影响力[3]。而MATLAB仿真软件中Simulink模块可以拖动相关组件赋值达到模拟储能系统实际工况的目标,通过建立电化学电池的直流等效模型和详细的并网仿真模型,包括从电力系统的大规模仿真到储能与可再生能源相结合的应用仿真,从而能够较好地模拟储能系统外部特性。电池建模是深入研究电池模型的重要内容,它能够准确地说明储能系统的特点,对于研究大规模储能系统的接入对电网的影响有重大意义。
考虑到新型能源的随机性和间歇性特点,亟需建立相关模型模拟储能系统的接入,为储能技术的新能源应用场景配置提供方向和理论支持。文章以MATLAB中Simulink模块为基础,通过对锂离子电池暂态变化过程进行建模,然后利用扩展卡尔曼滤波算法对荷电状态(state of charge,SOC)进行估计,以期对储能电池建模技术发展做出贡献。
1 锂电池等效电路模型
1.1 锂离子电池等效电路模型
图1
式中:Rth为电池极化电阻;UCth为极化电容Cth两端的电压。
戴维南等效电路的离散状态方程为
戴维南等效电路的离散输出观测方程为
式中:Sk和Sk+1为离散状态k和k+1时刻锂电池的荷电状态;URthCthk和URthCthk+1为离散状态k和k+1时刻Rth两端的电压估测值;Δt为采样周期;τ为时间常数;η为库伦系数,充电时η=1,放电时η<1;C为电池的标称电容;ik为离散状态k时刻的充放电电流;ωk、vk为系统噪声;Uk为离散状态k时刻锂电池的工作电压;Uoc(Sk)为离散状态k时刻锂电池荷电状态为Sk的工作电压。
1.2 电池系统模型仿真应用
在实际应用中,锂离子电池往往通过串并联结构组合至模组甚至系统电站级,因此根据电气元件串并联关系,并结合Thevenin等效电路模型电路拓扑结构及式(
图2
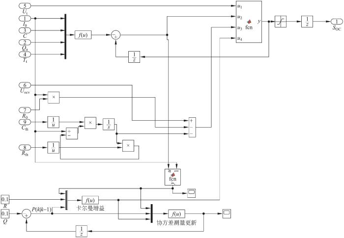
图2
Thevenin等效电路模型仿真原理图
Fig. 2
Thevenin equivalent circuit model simulation schematic diagram
2 锂离子电池荷电状态估计
电池的荷电状态用来描述当前时刻电池中的剩余电荷的物理量,荷电状态SOC估计作为电池系统充放电策略和电池状态决策的基础,是电池管理系统的重要参数之一[8]。但由于锂电池内部结构复杂且具有非线性,荷电状态不能通过测量直接确定,仅能根据电池的内阻、开路电压、温度、电流等外部特性,利用相关的特性曲线或计算公式来预测电池和荷电状态。常用荷电状态SOC估计方法包括安时法、开路电压法等,通常表示为
式中:Qremain为电池剩余的电荷量;Qrated为电池的额定容量。一般可认为Qrated为一固定不变的量,则可得出剩余的电荷量由额定容量减去已经释放的电荷量计算得到:
式中Qdischarged为电池充满电状态下已经释放掉的电荷量。
在荷电状态的研究中,安时法易于理解,计算步骤简单,较少考虑电池内部特性,适用于各种电池,并可以动态估计电池荷电状态[9]。但累计误差较大,且取决于荷电状态的初始值,电池自放电的问题无法解决;开路电压法较为简单,适用于各种电池,但必须将电池进行长时间静置,不适用于电池荷电状态的实时估计,且没有考虑电池的滞回特性。
随着科学技术的发展,荷电状态估计的相关理论研究也在持续发展,并且随着硬件设备的发展和更新迭代,出现了许多新的电池荷电状态的估算方法[10]。如卡尔曼滤波法、扩展卡尔曼滤波法等。卡尔曼滤波是一种线性的递推算法,以实现数据的方差最小为目标。卡尔曼滤波利用传感器采集数据并进行观测,收集并处理大量数据,估计前一时刻的状态变量,实现最优估计,使该状态变量实现方差最小。虽然卡尔曼滤波法可以实时估测数据,大幅抑制噪声的干扰,但是要求更高的电池精度[11],其中的计算复杂,需要高速的硬件处理速度。而扩展卡尔曼滤波就是将一个非线性的电池系统利用状态空间模型线性化,再利用循环迭代过程对状态变量实现算法最优估计[12]。
2.1 扩展卡尔曼滤波算法
状态方程:
输出方程:
式中:f(xk,uk)、g(xk,uk)分别对应非线性状态转移函数和非线性测量函数。
扩展卡尔曼滤波器预测方程为:
扩展卡尔曼滤波器矫正方程:
式中:
2.2 仿真实验验证
根据上述关系描述与扩展卡尔曼滤波具体步骤相结合,建立Simulink模型,如图3所示。
图3
图3
扩展卡尔曼滤波模块仿真原理图
Fig. 3
The simulation schematic diagram of the extended Kalman filter module
1)初始化,在k=0时刻,将线性化后的电池模型系统输出电压、电流和误差与系统工作时间作为输入,由系统状态变量可知:
2)经由函数模块,计算扩展卡尔曼滤波器的预测方程;
最后,经过函数模块,可得到最终优化的荷电状态参数。
2.3 仿真结果分析
搭建模型选取戴维南等效电路,将参数输入,经由扩展卡尔曼滤波模块输出SOC,由最小二乘模块进行参数辨识和公式拟合输出电压、电阻、电容参数到戴维南等效电路,最终得到储能系统模块输出电压。本仿真的电流在每900 s变换1次,前15 min电流为30A放电,第2个15 min电流为40 A充电,第3个15 min电流为20 A放电,第4个15 min电流为10 A充电,第5个15 min电流为25 min放电,第6个15 min电流为25 min充电。为了验证估算储能系统SOC的可行性与准确性,本文基于搭建的Thevenin等效电路模型,利用扩展卡尔曼滤波算法估算锂离子电池SOC结果如图4所示。
图4
由磷酸铁锂电池系统测试SOC曲线与模型仿真出的SOC曲线对比波形曲线可知,在0 s时,SOC为0.8,随着仿真的进行,在700 s左右达到最低值,SOC大致在0.3左右,在4 600 s左右,SOC达到最高值,大约在0.9左右。经过扩展卡尔曼滤波和最小二乘法曲线拟合之后,模型仿真出的SOC曲线与测试的SOC曲线误差较小,噪声干扰基本被消除。
图5
3 总结与展望
储能技术作为当下备受关注的新型能源载体,电池管理系统是其发展的重要环节之一,电池建模技术可以有效地表述电池外特性。本文从锂离子电池等效模型入手分析,建立Thevenin等效电路模型,应用扩展卡尔曼滤波算法,研究估计荷电状态SOC对电池外特性的影响,最后通过仿真模型验证可知,该模型计算量适中,并且能够满足精度要求。
储能技术的应用有助于加快新能源的利用,加速我国实现碳中和、碳达峰,有助于减少对传统化石能源的依赖,保障我国能源安全,加快构建清洁化、低碳化的新型清洁能源体系。在电化学储能技术研究过程中,我们应重点关注电池建模技术的研究,包含以下几点:
1)在本文的研究中,以理想条件和理想环境作为前提条件,并没有考虑到电池老化或者温度等因素对电池的影响;而在现实生活中这些因素不可忽略,需要考虑这些实际问题以对研究结果做出调整,因此考虑电池老化、温度变化等因素对电池的影响是下一步研究的重点;
2)本文只考虑了锂离子电池外特性参数拟合,而如今储能市场中的锂电池应用十分广泛,也有多种不同的锂电池参与到真实的储能运用中,因此今后的研究中,可以讨论多种电池型态,从而能够比较出一种更为精确的锂电池模型,将其运用到储能产业中。
参考文献
面向电网调频应用的电池储能电源仿真模型
[J].
Battery energy storge power supply simulation model for power grid frequency regulation
[J].
储能在电网中的应用价值及其商业模式
[J].
Application value of energy storage systems in the power grid and its commercial modes
[J].
面向广义负荷的电池储能系统等效建模研究
[J].
Research on equivalent modeling of battery energy storage system for load modeling
[J].
锂离子电池建模现状研究综述
[J].
A review of current research on lithium-ion battery modeling
[J].
Multi-level model reduction and data-driven identification of the lithium-ion battery
[J].
Evaluation of lithium-ion battery equivalent circuit models for state of charge estimation by an experimental approach
[J].
动力电池模型综述
[J].
Overview of power battery model
[J].
等效循环电池组剩余使用寿命预测
[J].
Investigation of RUL prediction of lithium-ion battery equivalent cycle battery pack
[J].
锂离子电池模型研究综述
[J].
Overview of the modeling of lithium-ion batteries
[J].
基于正态分布的锂电池组建模仿真
[J].
Modeling and simulation of lithium battery pack based on normal distribution
[J].
基于多模型自适应卡尔曼滤波器的电动汽车电池荷电状态估计
[J].
Electric vehicle battery SOC estimation based on multiple-model adaptive Kalman filter
[J].
磷酸铁锂电池组成组过程的不一致性分析
[J].
Inconsistency analysis of LiFePO4 battery packing
[J].
电动汽车动力锂电池建模、仿真及均衡控制研究
[D].
Research on modeling, simulation and equalization control for power lithium battery of electric vehicle
[D].
不一致性对动力电池组使用寿命影响的分析
[J].
An analysis on the influence of inconsistencies upon the service life of power battery packs
[J].
基于等效电路法的大容量蓄电池系统建模与仿真
[J].
Modeling and simulation of large capacity battery systems based on the equivalent circuit method
[J].
电池储能电站等值建模方法研究
[D].
Research on equivalent modeling method for battery energy storage power station
[D].
锂离子电池剩余寿命间接预测方法
[J].
Indirect remaining useful life prognostics for lithium-ion battery
[J].
From single cell model to battery pack simulation for li-ion batteries
[J].
A novel li-ion battery pack modeling considering single cell information and capacity variation
[C]//
/
| 〈 |
|
〉 |
清华大学出版社期刊中心



